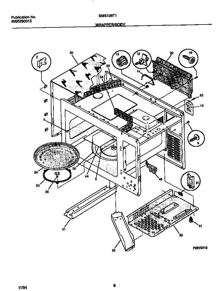
SMS138T1B2 05 – WRAPPER/BODYadmin2025-04-26T10:22:41+00:00SMS138T1B2 05 – WRAPPER/BODY ProductsPositionProduct*34162WCI 31701630223203010 Frigidaire Clip5PLUG, BUTTON, WHITE, (2)10WCI 530321277512WCI 530321278813WCI 530328026314WCI 3100051116WCI 39402760020WCI 530330579321WCI 31701940122WCI 530326995823WCI 31701290524WCI 31701280125WCI 31701120426WCI 31701310131WCI 530301177332WCI 530330544044WCI 31701330349WCI 317017801505303300265 Frigidaire Oven Screw51FOOT53WCI 31700990254WCI 31700990955WCI 5303273263