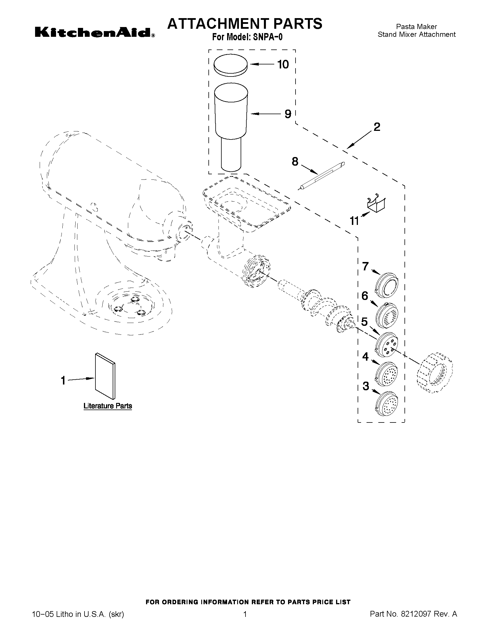
SNPA-0 01 – ATTACHMENT PARTSadmin2025-04-26T11:25:50+00:00SNPA-0 01 – ATTACHMENT PARTS ProductsPositionProduct1Repair Parts List1Use & Care Guide2PASTA PLATE COMPLETE UNIT (INCLUDES 3-11)3PLATE, SPAGHETTI (THIN)4PLATE, SPAGHETTI (THICK)5PLATE, MACARONI6PLATE, FLAT NOODLE7PLATE, LASAGNA8TOOL, CLEANING PLATE9242553 Whirlpool Stomper10STOMPER, CAP11Clips, Bowl