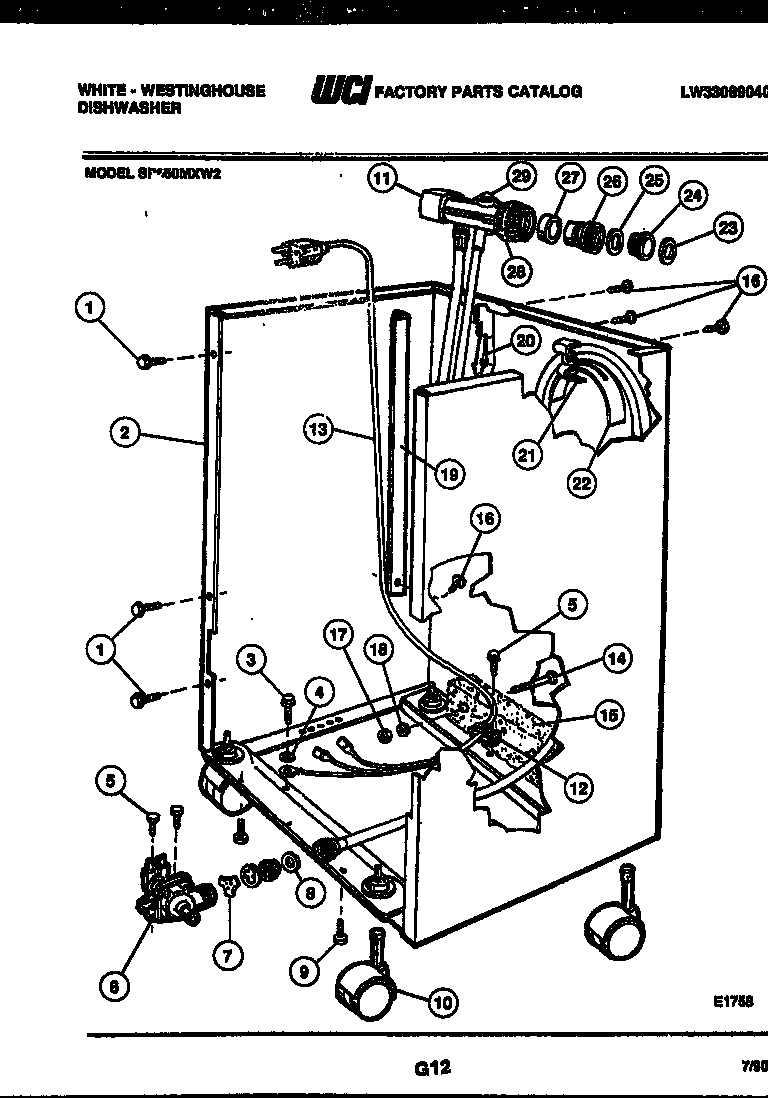
SP560MXV2 09 – CABINET PARTS