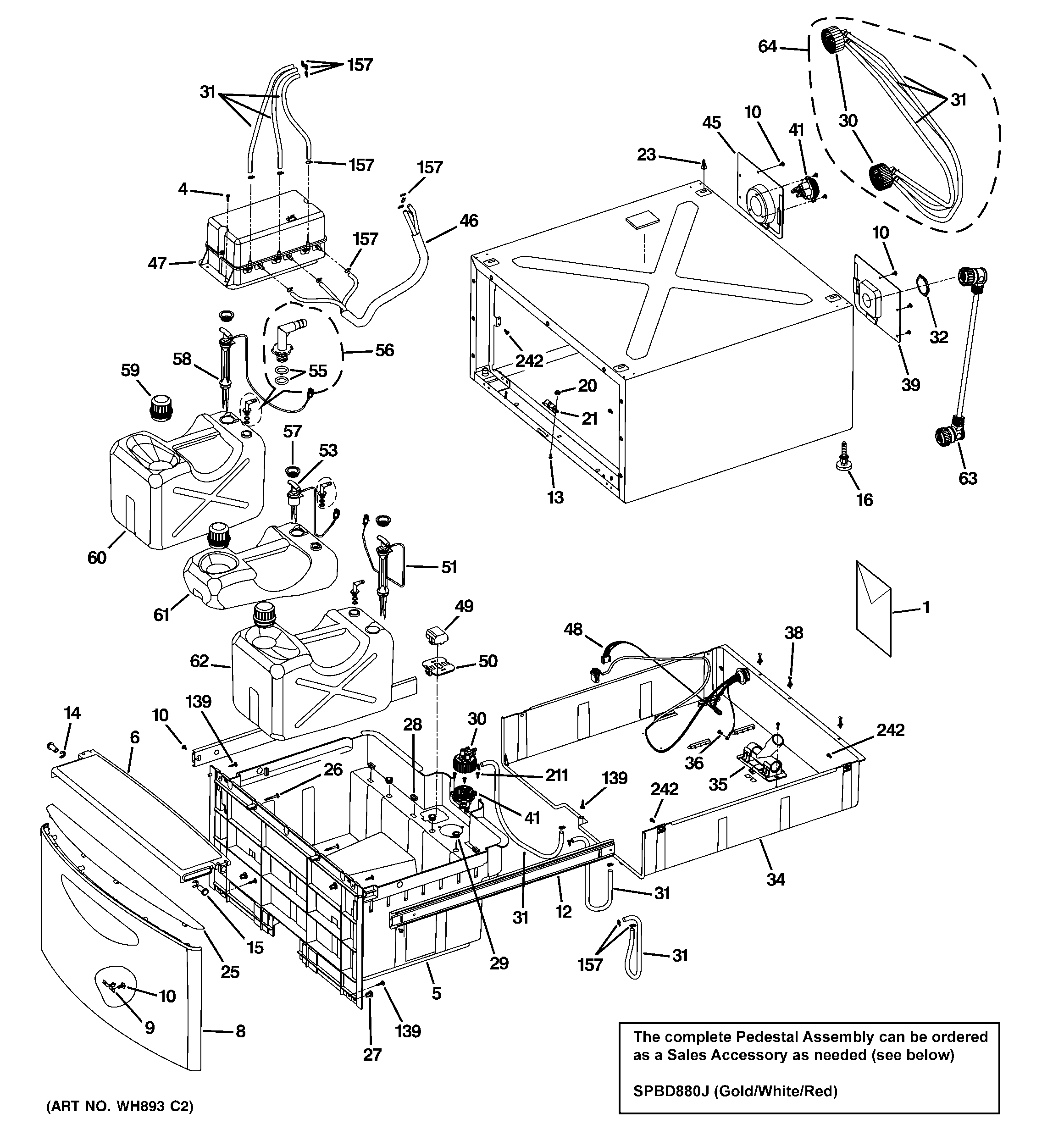
SPBD880J0MG PEDESTAL