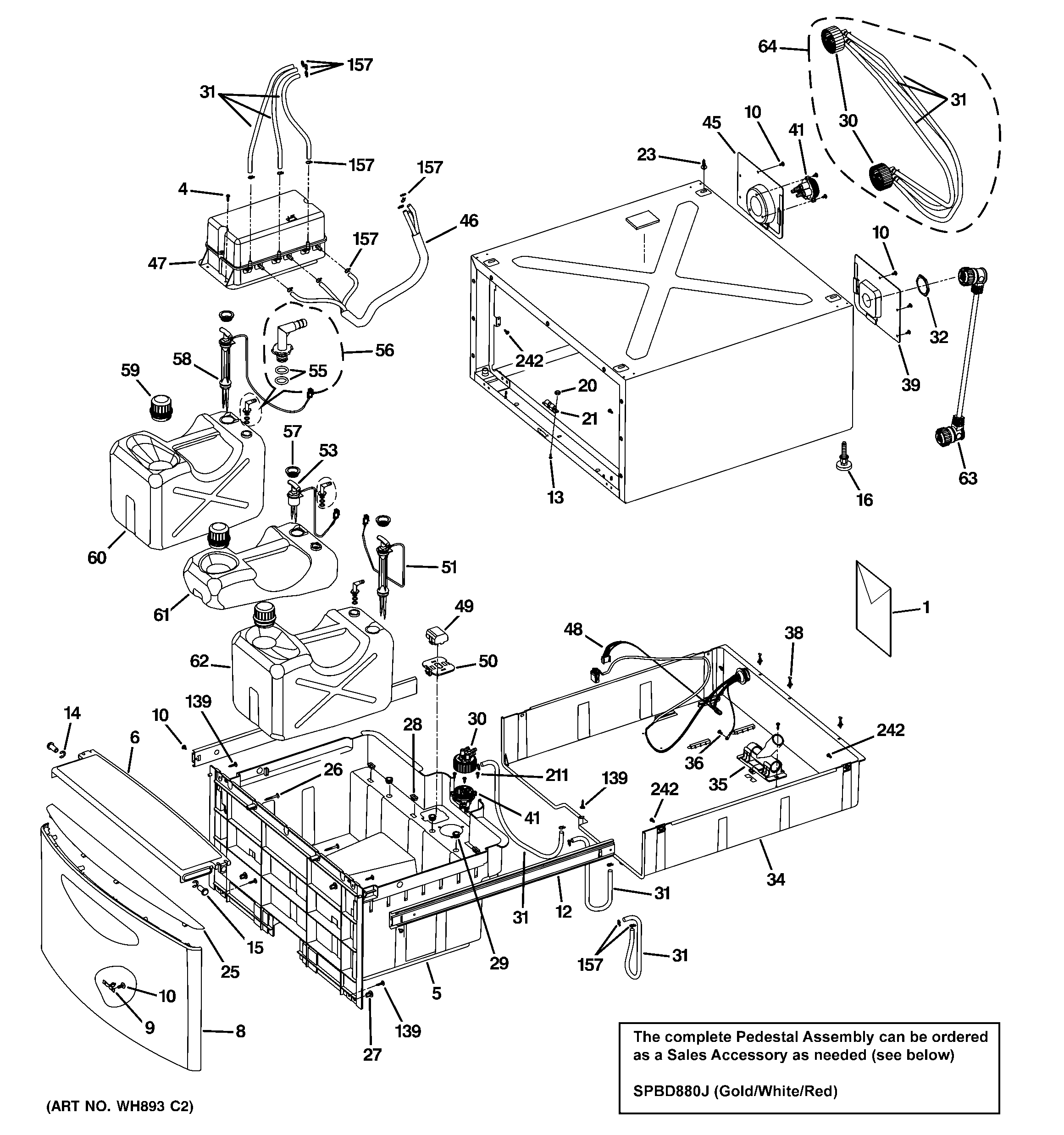
SPBD880J0WW PEDESTAL