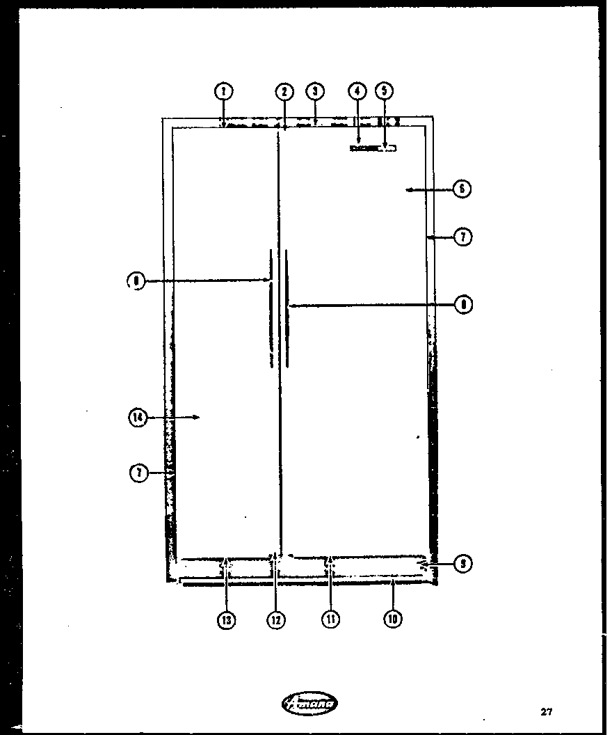
SR22-1 01 – Page 1admin2025-04-26T09:07:41+00:00SR22-1 01 – Page 1 ProductsPositionProductNIMAY C3589002NIMAY M0248131NIMAY A3083501NIMAY A3061902NIMAY M0246159NIMAY A3061903NIMAY A30619014MAY C35780025MAY C35776016MAY D39576106MAY D39576026MAY D39576498MAY D39344019MAY D395210110MAY C358880114MAY D395760114MAY D395764714MAY D3957609