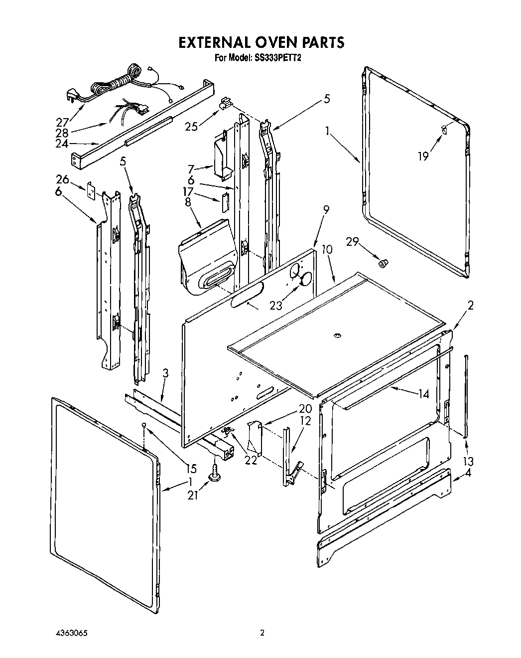
SS333PETT2 02 – EXTERNAL OVEN, LIT/OPTIONAL