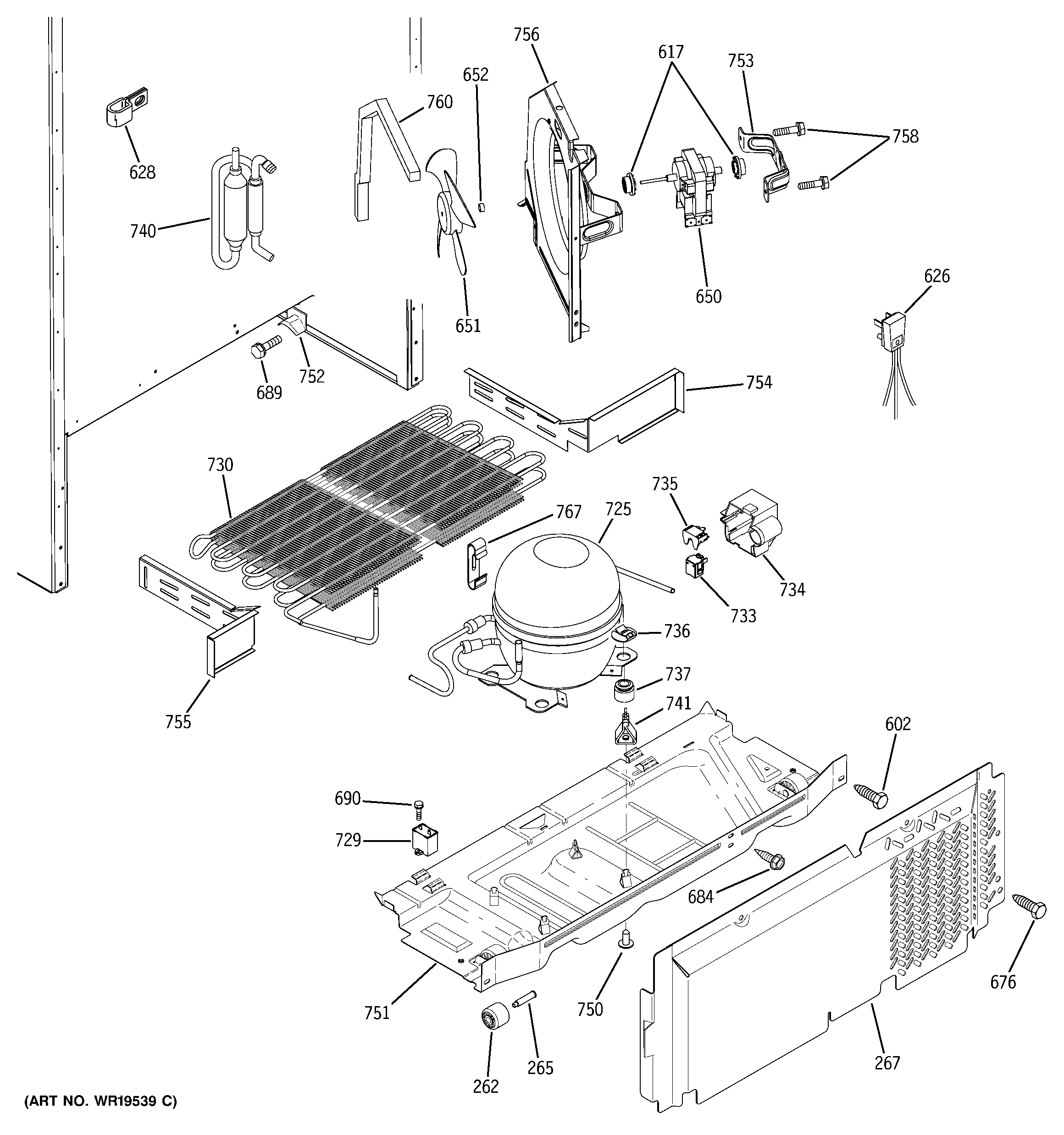
STS18ZCPERWW UNIT PARTS