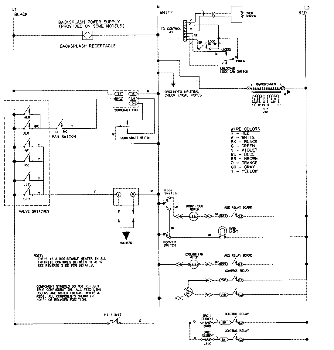
SVD48600P 09 – WIRING INFORMATIONadmin2025-04-26T08:51:33+00:00SVD48600P 09 – WIRING INFORMATION ProductsPositionProductNIMAY 15002215