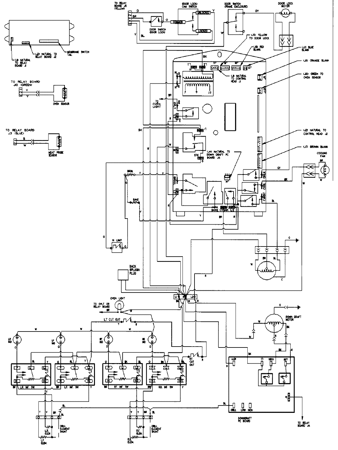
SVE47600WC 04 – WIRING INFORMATIONadmin2025-04-26T08:51:23+00:00SVE47600WC 04 – WIRING INFORMATION ProductsPositionProductNIMAY 15001883