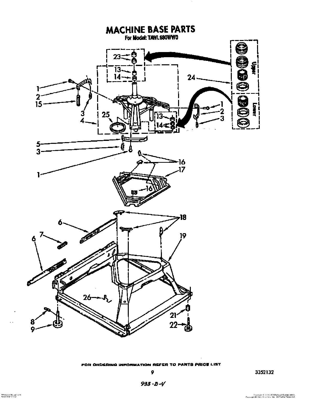
TAWL680WN0 07 – MACHINE BASE