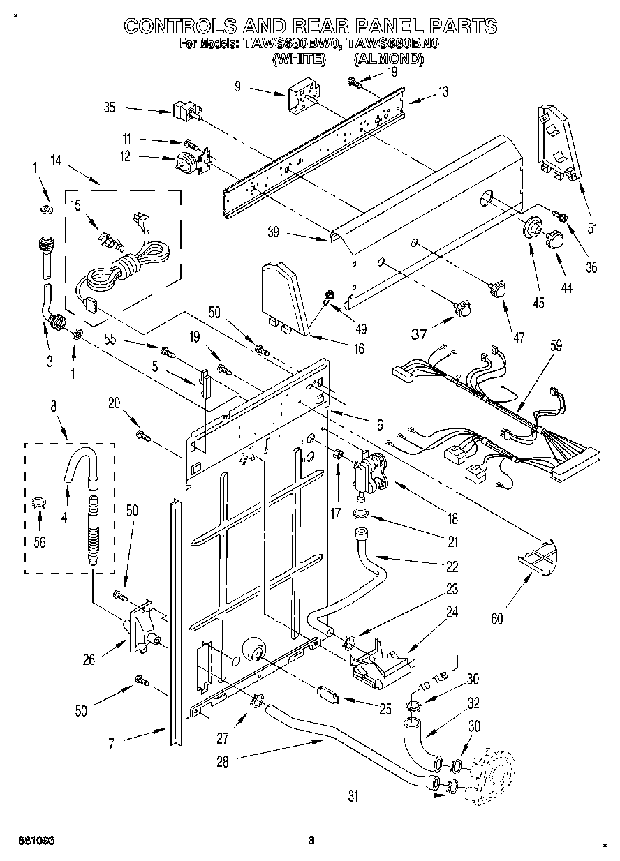
TAWS680BW0 02 – CONTROLS AND REAR PANEL