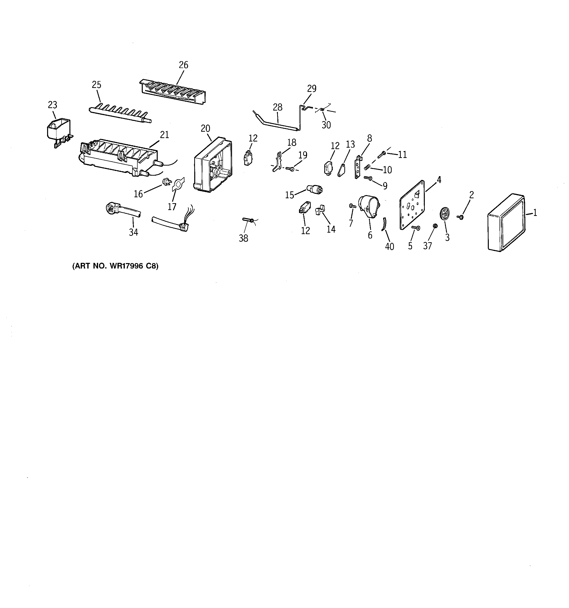
TBH14SIXRRAD ICEMAKER WR30X0327admin2025-04-26T08:39:03+00:00TBH14SIXRRAD ICEMAKER WR30X0327 ProductsPositionProduct1COVER-WHITE2SCREW4PLATE-MTG5SCREW-PLATE TO SUPPORT7SCREW-MOTOR TO PLATE9SCREW ARM TO SWITCH11SCREW12SWITCH13GEN WR29X518814GEN WR29X518615GEN WR29X516716WR30X10093 GE Refrigerator Ice Maker18GEN WR29X518319SCREW-ARM21MOLD & HEATER ASM23FILL CUP25GEN WR29X517428GEN WR29X517829GEN WR29X517934GEN WR29X018637GEN WR29X5153