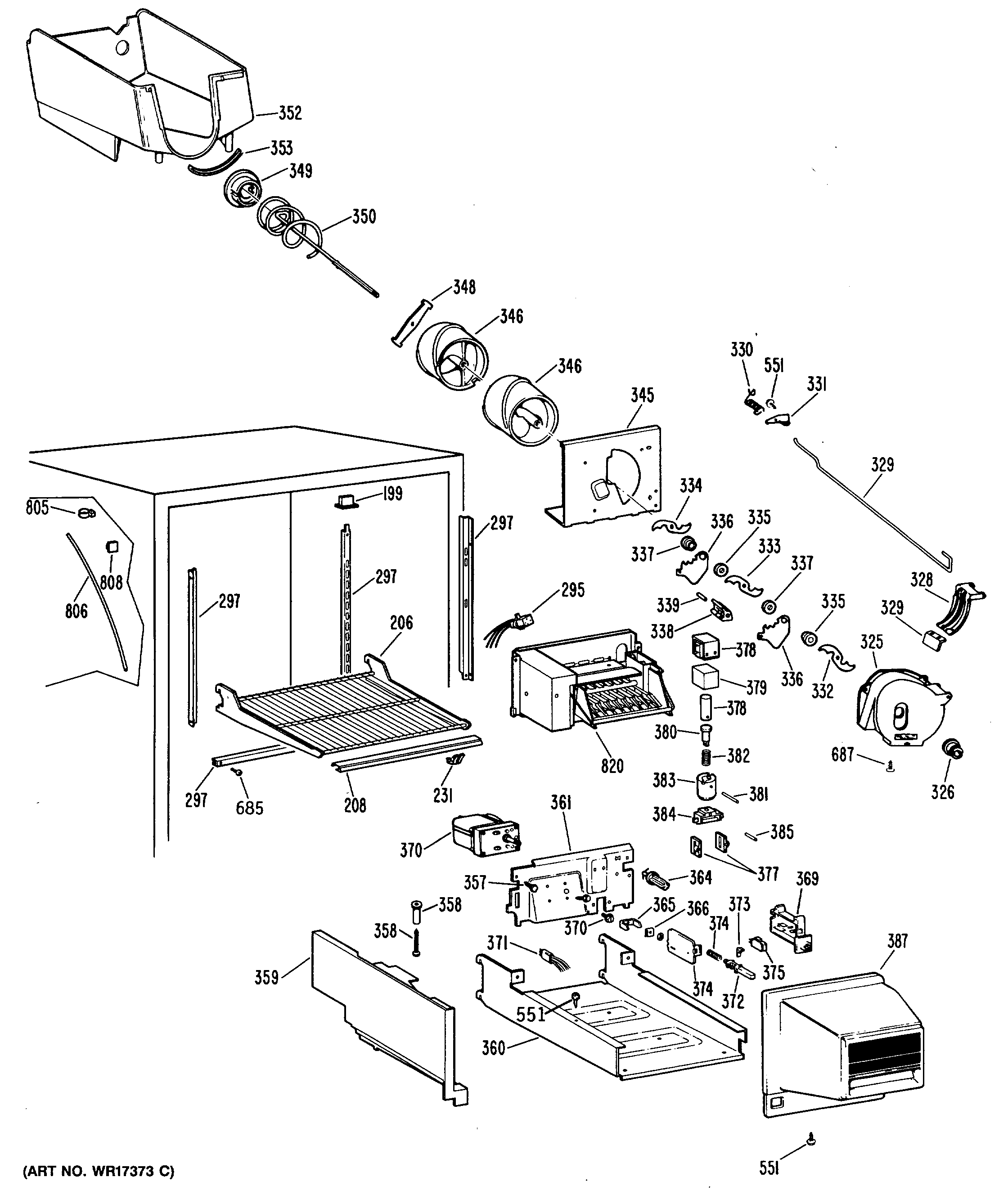
| 199 | RECEP. CNTR TRACK |
| 206 | GEN WR71X1952 |
| 208 | GEN WR38X1834 |
| 231 | GEN WR38X1748 |
| 295 | GEN WR23X0315 |
| 297 | GEN WR72X0108 |
| 297 | GEN WR72X0100 |
| 297 | TRACK CANT SIDE FRZ |
| 297 | GEN WR72X0131 |
| 325 | WR17X2061 GE Refrigerator Crush Dispenser |
| 326 | GEN WR01X1585 |
| 326 | GEN WR01X1366 |
| 326 | WR1X1367D GE Refrigerator Return Package 12 |
| 328 | WR2X4143 GE Refrigerator Pivot |
| 328 | GEN WR17X2215 |
| 328 | GEN WR02X4561 |
| 329 | GEN WR02X7784 |
| 329 | GEN WR17X2246 |
| 330 | GEN WR02X4759 |
| 331 | GEN WR02X4758 |
| 332 | WR17X1361 GE Refrigerator Blades Moving Display |
| 333 | WR17X1362 GE Refrigerator Middle Blade |
| 334 | WR17X1363 GE Refrigerator Blades Moving Display |
| 335 | GEN WR02X4139 |
| 336 | GEN WR17X2216 |
| 336 | WR17X2058 GE Refrigerator Dispenser Blade |
| 337 | WR2X4138 GE Refrigerator Spacer |
| 338 | WR2X4140 GE Refrigerator Blade Rest |
| 339 | GEN WR02X4141 |
| 345 | GEN WR17X2214 |
| 346 | HELIX FRONT-DISP |
| 346 | HELIX REAR-DISP |
| 348 | GEN WR02X7783 |
| 349 | WR2X4550 GE Refrigerator Drive Cup |
| 350 | GEN WR02X7782 |
| 352 | GEN WR17X2662 |
| 352 | GEN WR30X0264 |
| 353 | WR2X7905 GE Refrigerator Bucket Seal |
| 357 | GEN WR01X1750 |
| 358 | GEN WR01X1749 |
| 358 | GEN WR02X7778 |
| 359 | GEN WR17X2221 |
| 360 | GEN WR71X1788 |
| 361 | GEN WR17X2988 |
| 364 | GEN WR02X7310 |
| 365 | GEN WR02X4854 |
| 366 | GEN WR01X1547 |
| 369 | GEN WR02X7169 |
| 370 | WR60X10262 GE Refrigerator Motor Crusher Dispenser |
| 370 | WR01X10618 GE Refrigerator Screw 8-18 TPT 1/4 |
| 371 | GEN WR23X0317 |
| 372 | GEN WR02X7776 |
| 373 | GEN WR23X0290 |
| 374 | GEN WR02X7172 |
| 374 | GEN WR02X7171 |
| 375 | GEN WR23X0288 |
| 377 | GEN WR02X7774 |
| 380 | GEN WR17X2224 |
| 381 | WR62X23154 GE Refrigerator Ice Dispenser Solenoid Kit |
| 382 | WR62X26536 GE Refrigerator Armature Kit |
| 384 | GEN WR17X2225 |
| 387 | GEN WR17X2594 |
| 551 | GEN WZ04X0244 |
| 685 | WR01X10606 GE Refrigerator Screw 8-18 CA HX 1/2 S |
| 687 | GEN WZ05X0194 |
| 805 | WR1X5278 GE Refrigerator Cable Clamp |
| 806 | WR17X1948 GE Refrigerator Water Line |
| 808 | WR2X4039 GE Refrigerator Clamp |
| 820 | GEN WR30X0284 |