TBX18DHBR 1

TBX18DHBR 1

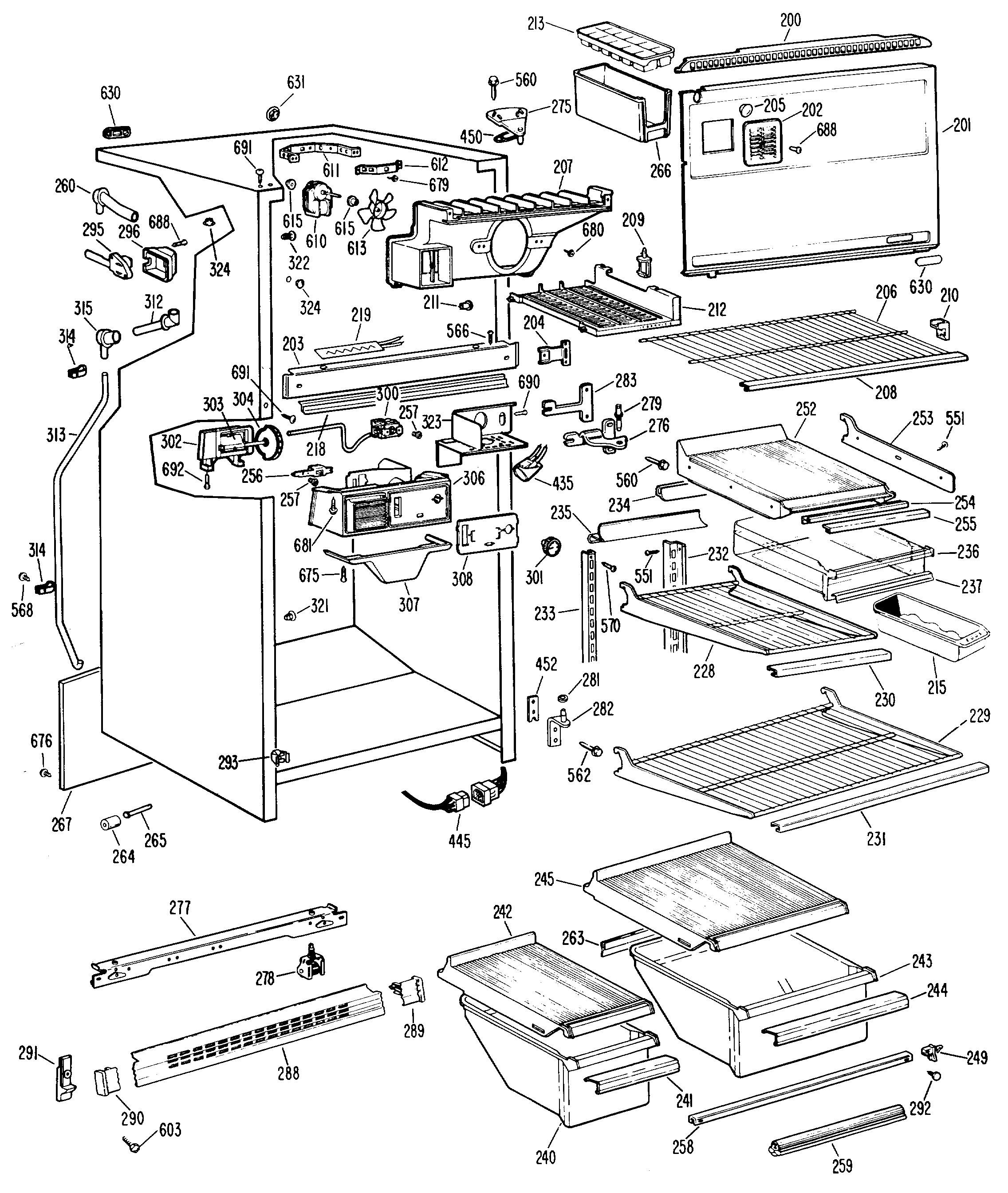
Products

PositionProduct
200GRILLE EVAP COVER
201COVER EVAP ASM
202GEN WR02X7019
203GEN WR14X0316
203GEN WR17X2014
204GEN WR01X1655
204SUPT-MULLION & NUTSTRIP
205GEN WR02X7060
206GEN WR71X1518
207GEN WR14X0313
207PLENUM
208GEN WR38X1015
209GEN WR02X7015
210GEN WR02X7016
211GEN WR02X6261
212GEN WR71X1508
213WR30X311 GE Refrigerator Ice Tray
215GEN WR32X0701
218GEN WR14X0328
219GEN WR51X0302
228GEN WR71X1507
230GEN WR38X0961
231GEN WR02X3440
231GEN WR38X0965
232GEN WR72X0076
233GEN WR02X7018
233GEN WR72X0075
234GEN WR14X0285
236GEN WR32X0865
237GEN WR17X1616
237GEN WR17X1573
240PAN VEG
241GEN WR17X1615
241GEN WR17X1548
242GEN WR32X0826
243GEN WR32X0851
244GEN WR02X7052
244GEN WR17X1617
244GEN WR17X1551
245GEN WR32X0849
249GEN WR02X7249
252GEN WR32X0721
253GEN WR17X1923
254GASKET COVER FRT
255GEN WR38X0962
256GEN WR23X0203
257SCR 6-32 D TR 3/8 SS
258GEN WR17X2028
259GEN WR14X0294
260WR2X8474 GE Fill Tube
263GEN WR14X0325
264WR2X3594 GE Refrigerator Wheel
265GEN WR02X3595
265GEN WR02X3598
266GEN WR30X0198
275HINGE TOP & PIN ASM
276GEN WR13X0561
277RAIL MACH MTG FRT
279GEN WR13X0562
281GEN WR01X1355
281GEN WR01X1114
282GEN WR13X0553
283GEN WR02X7401
283SHIM HINGE-.031 THK.
283NUTSTRIP HINGE
288GRILLE O.CASE(BRN)
289GEN WR02X7154
290GEN WR02X7155
291GEN WR74X0181
292PLUG BUTTON
292GEN WR01X1326
293GEN WR02X7080
295GEN WR23X0162
296COVER IM RECEPTACLE
300SLEEVE VINYL
300GEN WR02X7061
300GEN WR09X0401
301GEN WR02X7146
302GEN WR14X0312
302HOUSING NOZZLE
303GEN WR02X7008
304GEN WR02X7392
306INSUL CONTROL HSG
306GEN WR17X1534
306GEN WR02X7009
307GEN WR17X1538
308GEN WR02X7147
312FUNNEL DRAIN
313GEN WR17X2089
314GEN WR02X4516
315GROMMET DRAIN
321GEN WR02X4532
324PLUG BUTTON LG WH
435SOCKET LAMP
445R-E-D SERVICE PKG.
450GEN WR02X7151
452GEN WR02X7011
452SHIM HINGE BTM.
551GEN WZ04X0244
560GEN WR01X1249
562SCR 12-24 TT HXW 1 3/64S