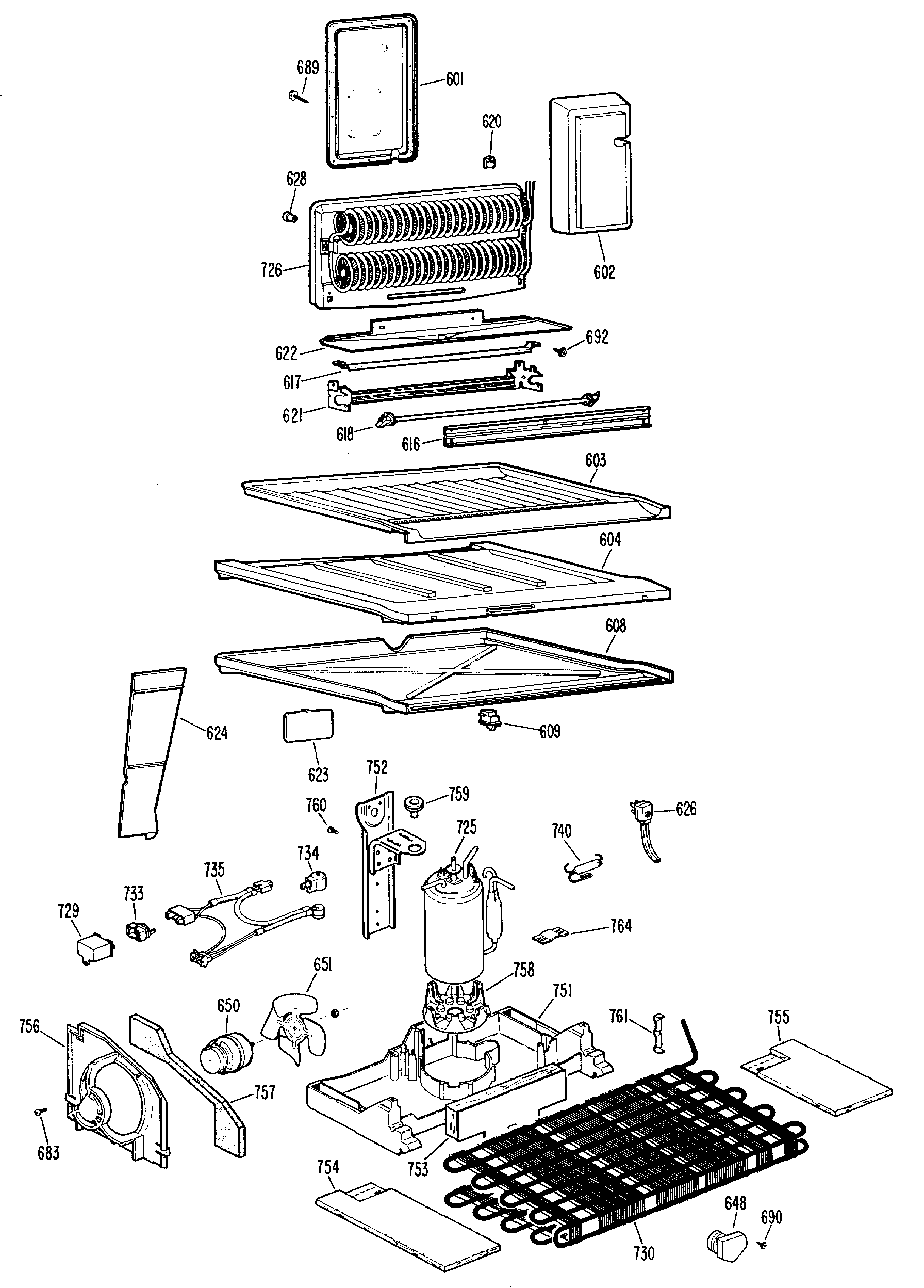
| 601 | GEN WR17X1552 |
| 602 | PLUG EVAP ACCESS |
| 603 | WR1X1591 GE Refrigerator Screw |
| 603 | LINER BTM FZ |
| 604 | GEN WR17X2012 |
| 604 | GEN WR02X7072 |
| 609 | WR23X37285 GE Light Switch |
| 616 | SHIELD DEF HTR |
| 617 | COVER DEF HTR |
| 618 | HEATER DEF ASM |
| 620 | WR50X60 GE Refrigerator Defrost Thermostat |
| 621 | BRACKET DEF HTR |
| 621 | GEN WR02X4495 |
| 622 | TROUGH DRAIN ASM |
| 623 | GEN WR14X0289 |
| 623 | COVER DUCT FF |
| 624 | GEN WR17X1546 |
| 626 | WR1X5278 GE Refrigerator Cable Clamp |
| 626 | WR23X10300 GE Refrigerator Power Cord Assembly |
| 628 | GEN WR02X7026 |
| 648 | WR9X502 GE Refrigerator Defrost Timer |
| 648 | GEN WR02X7027 |
| 650 | WR60X187 GE Refrigerator Condenser Fan Motor |
| 651 | WASHER COND MTR |
| 651 | GEN WR01X1715 |
| 651 | GEN WR60X0167 |
| 683 | SCREW |
| 683 | SCREW FAN MTR/BRKT |
| 689 | WZ5X246 GE Screw |
| 690 | WZ5X158D GE Screw Package of 12 |
| 692 | SCR 8-18 AB HX 1/2 S PL |
| 692 | SCREW |
| 725 | GEN WR87X0206 |
| 725 | REFRIGERANT |
| 726 | GEN WR14X0313 |
| 726 | GEN WR85X0198 |
| 729 | WR62X51 GE Refrigerator Capacitor |
| 730 | GEN WR84X0103 |
| 733 | GEN WR07X0185 |
| 734 | GEN WR02X7396 |
| 735 | GEN WR08X0087 |
| 740 | WR86X25269 GE Refrigerator R134 Dryer |
| 751 | GEN WR17X2088 |
| 752 | GEN WR17X2087 |
| 753 | BAFFLE-CENTER |
| 754 | GEN WR17X2085 |
| 755 | GEN WR17X2086 |
| 756 | HOUSING COND FAN |
| 757 | GEN WR02X7393 |
| 758 | GEN WR17X2091 |
| 759 | GEN WR02X7394 |
| 761 | GEN WR02X7395 |
| 764 | GEN WR02X7500 |