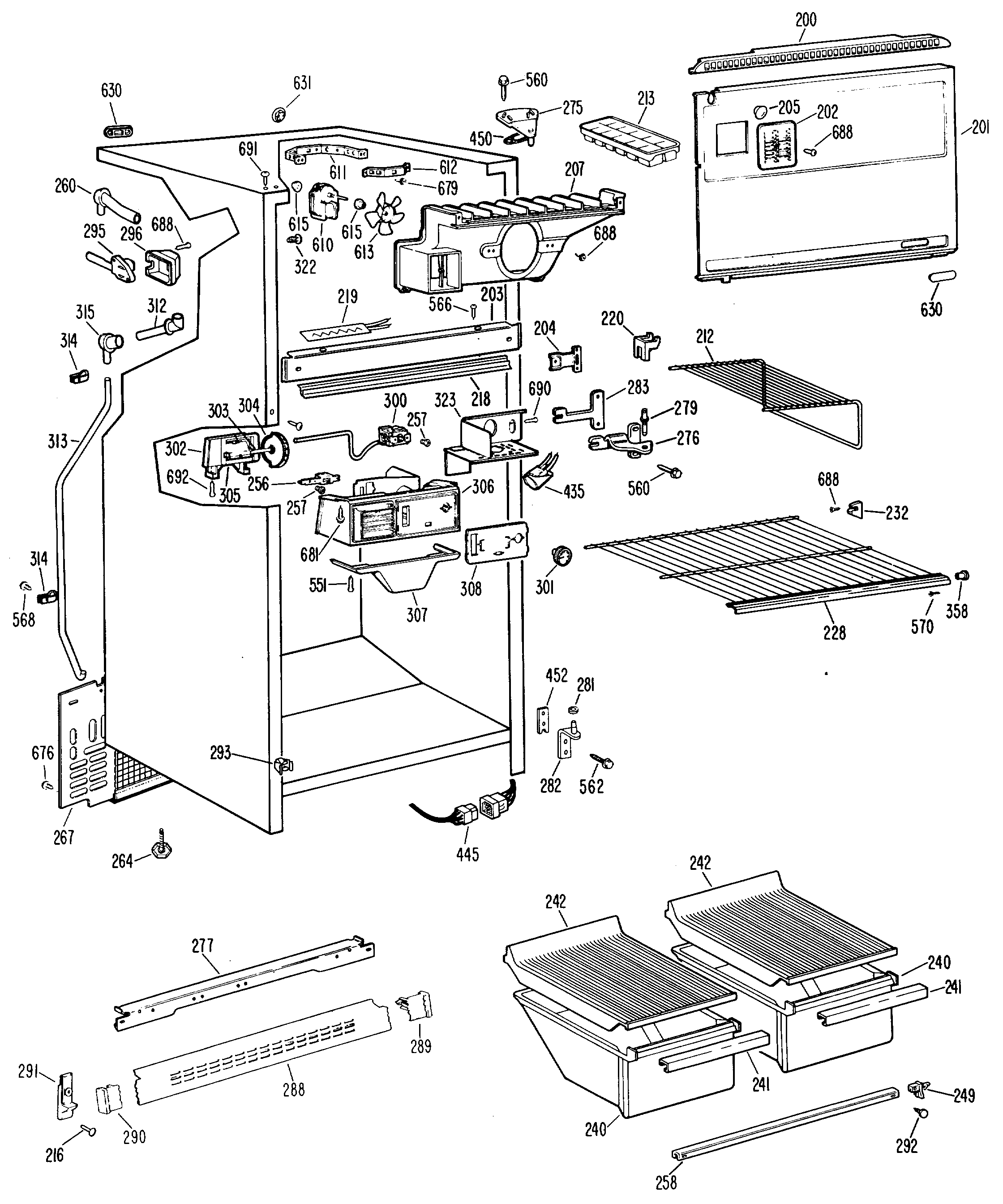
| 200 | GRILLE EVAP COVER |
| 201 | COVER EVAP ASM |
| 202 | GEN WR02X7019 |
| 203 | GEN WR14X0316 |
| 203 | GEN WR17X2014 |
| 204 | SUPT-MULLION & NUTSTRIP |
| 204 | GEN WR01X1655 |
| 205 | GEN WR02X7060 |
| 207 | GEN WR14X0313 |
| 207 | PLENUM |
| 212 | GEN WR71X1512 |
| 213 | WR30X311 GE Refrigerator Ice Tray |
| 216 | GEN WR01X1332 |
| 218 | GEN WR14X0328 |
| 219 | GEN WR51X0302 |
| 220 | GEN WR02X7039 |
| 228 | GEN WR71X1513 |
| 232 | SUPPORT SHELF |
| 240 | GEN WR32X0854 |
| 241 | GEN WR17X1564 |
| 242 | WR32X5206 GE Refrigerator Vegetable Cover |
| 249 | GEN WR02X7249 |
| 256 | GEN WR23X0203 |
| 257 | SCR 6-32 D TR 3/8 SS |
| 258 | GEN WR17X2028 |
| 260 | WR2X8474 GE Fill Tube |
| 264 | GLIDER ADJ.-5/16-18 THD. |
| 267 | GEN WR82X0264 |
| 275 | HINGE TOP & PIN ASM |
| 276 | GEN WR13X0561 |
| 277 | GEN WR17X1563 |
| 279 | GEN WR13X0562 |
| 281 | GEN WR01X1355 |
| 281 | GEN WR01X1114 |
| 282 | GEN WR13X0553 |
| 283 | NUTSTRIP HINGE |
| 283 | SHIM HINGE-.031 THK. |
| 288 | GRILLE O.CASE(BRN) |
| 289 | GEN WR02X7154 |
| 290 | GEN WR02X7155 |
| 291 | GEN WR74X0181 |
| 292 | GEN WR01X1326 |
| 292 | PLUG BUTTON |
| 293 | GEN WR02X7080 |
| 295 | GEN WR23X0162 |
| 296 | COVER IM RECEPTACLE |
| 300 | GEN WR09X0401 |
| 300 | GEN WR02X7061 |
| 300 | SLEEVE VINYL |
| 301 | GEN WR02X7146 |
| 302 | HOUSING NOZZLE |
| 302 | GEN WR14X0312 |
| 303 | GEN WR02X7008 |
| 304 | GEN WR02X7392 |
| 305 | GEN WR02X7009 |
| 306 | INSUL CONTROL HSG |
| 306 | GEN WR17X1534 |
| 307 | GEN WR17X1538 |
| 308 | GEN WR02X7147 |
| 312 | FUNNEL DRAIN |
| 313 | GEN WR17X2089 |
| 314 | GEN WR02X4516 |
| 315 | GROMMET DRAIN |
| 322 | GEN WR02X6345 |
| 323 | GEN WR17X1553 |
| 358 | SUPPORT SHELF SIDE |
| 435 | SOCKET LAMP |
| 445 | R-E-D SERVICE PKG. |
| 450 | GEN WR02X4194 |
| 450 | GEN WR02X7151 |
| 452 | SHIM HINGE BTM. |
| 452 | GEN WR02X7011 |
| 551 | GEN WZ04X0244 |
| 560 | GEN WR01X1249 |
| 562 | SCR 12-24 TT HXW 1 3/64S |
| 566 | GEN WR01X1487 |
| 568 | SCREW |
| 570 | GEN WZ04X0331 |
| 610 | MOTOR EVAP FAN |
| 611 | BRACKET EVAP FAN LARGE |
| 612 | BRACKET EVAP. FAN |
| 613 | WR60X123 GE Fan Blade Black |
| 613 | WR60X114 GE Refrigerator Evaporator Motor Fan Blade |
| 615 | GEN WR02X7391 |
| 630 | WR2X4097 GE Button Plug |
| 631 | PLUG BTN (.875 DIA.HOLE) |
| 631 | GEN WR02X4829 |
| 676 | WD2X5166 GE Dishwasher Screw |
| 679 | SCREW BRKT. EVAP. FAN |
| 681 | SCREW 6-18 X 1/2" ROUND |
| 688 | SCR 8-15 A PA 3/4 SS |
| 690 | WZ5X158D GE Screw Package of 12 |
| 691 | GEN WR01X1594 |
| 691 | GEN WR01X1644 |
| 692 | SCR 8-18 AB HX 1/2 S PL |
| 692 | SCREW |