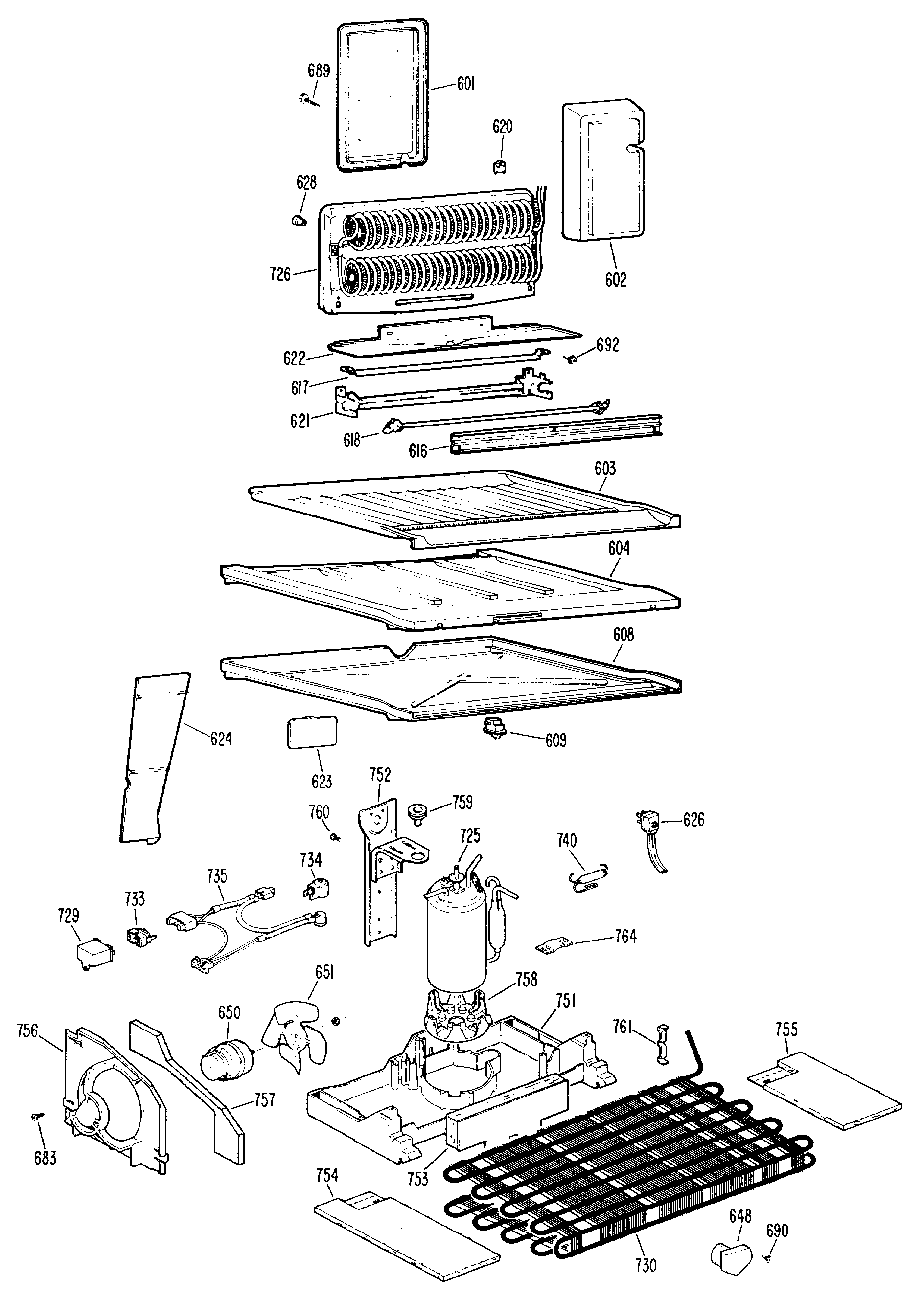
TBX18ZHCR 2