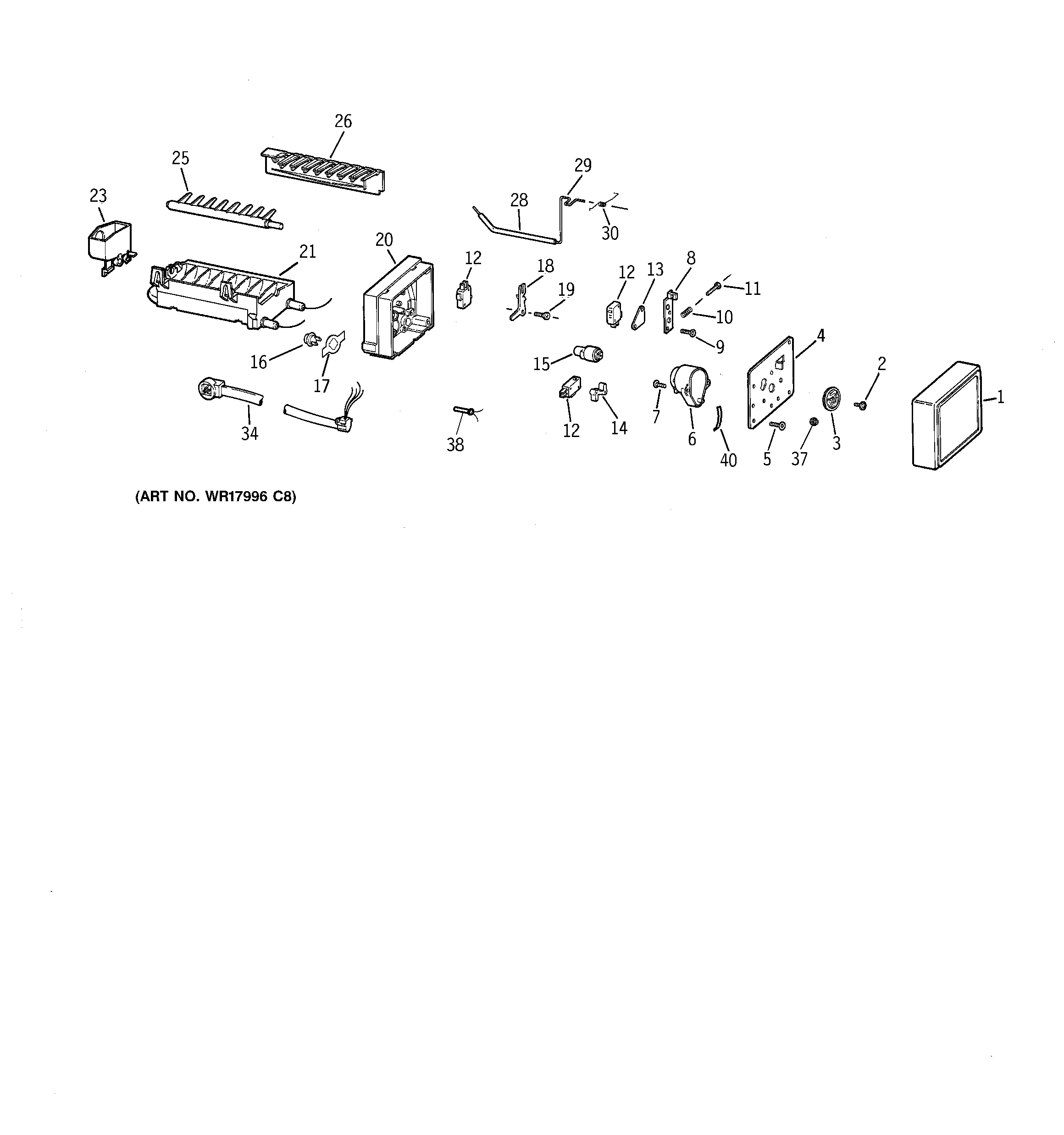
TBX19QIBBRWW ICEMAKER WR30X0327