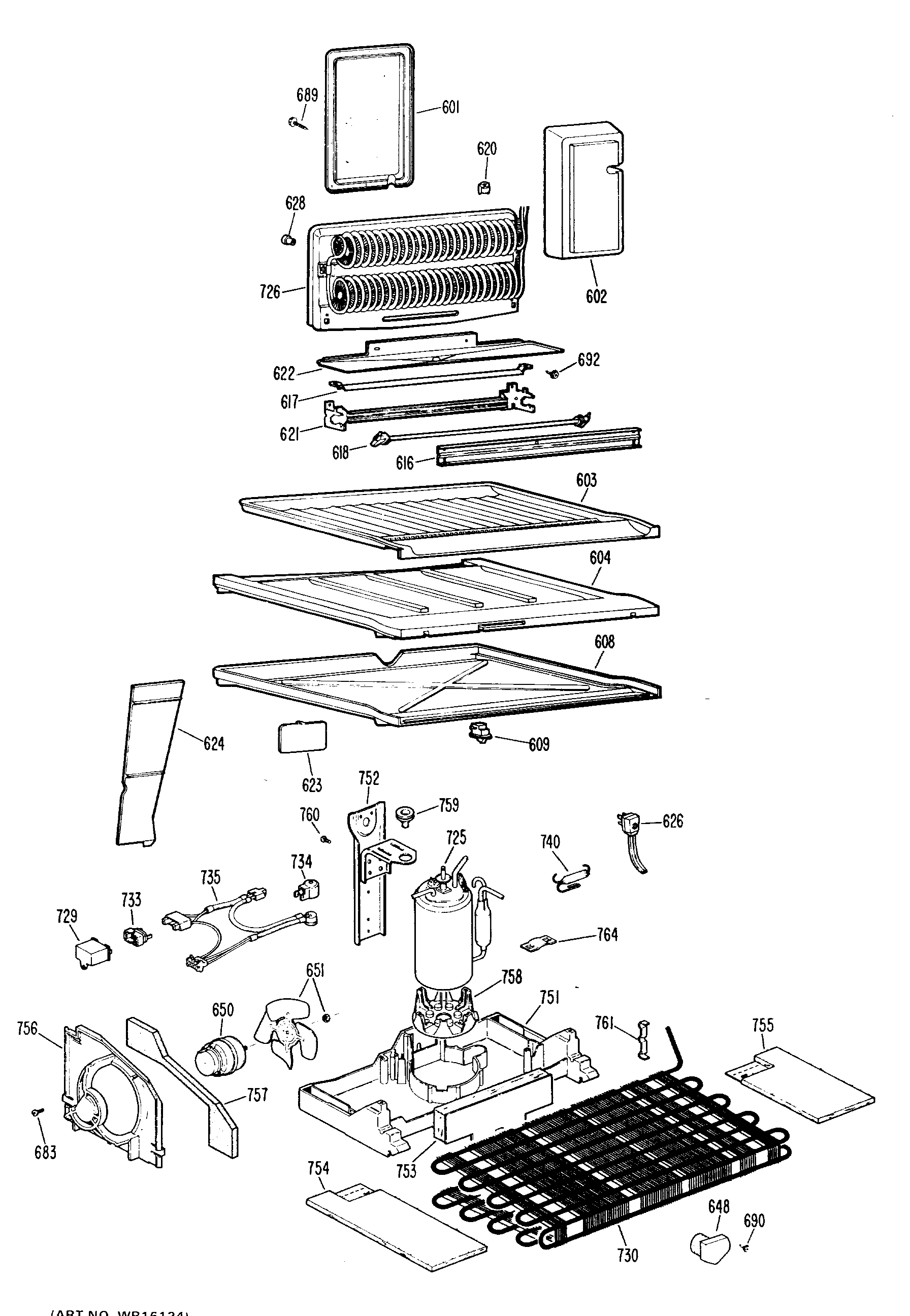
TBX20ZGRR 2