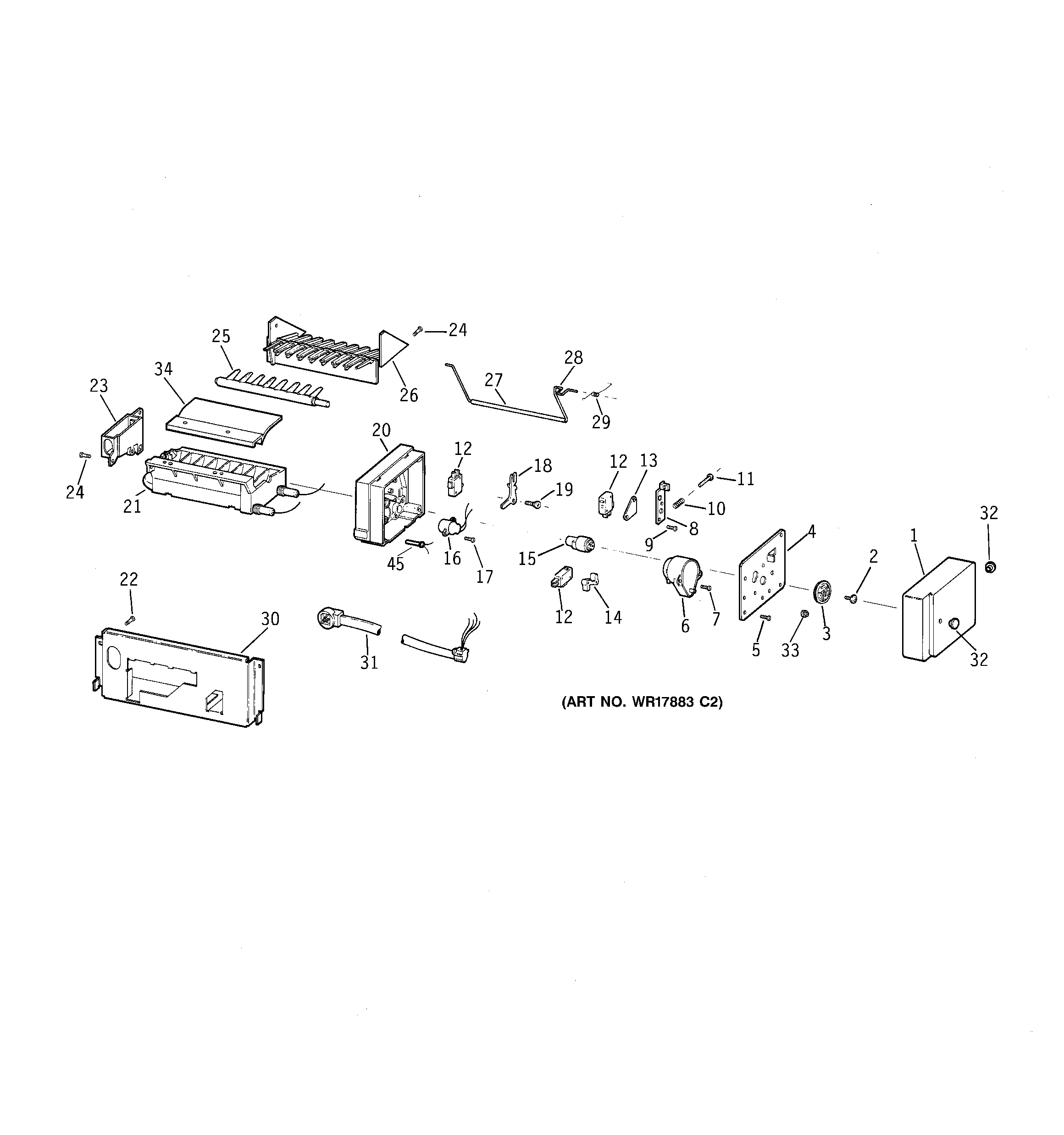
TBX22PCSFRBB ICE MAKERadmin2025-04-26T10:53:25+00:00TBX22PCSFRBB ICE MAKER ProductsPositionProduct1GEN 31-59521GEN 31-50251GEN 49-67494DOOR INNER FZ WH5GEN WR02X87146GEN WR12X08917GEN WR12X08938LENS NAMEPLATE BLACK10GEN WR02X800212GEN WR12X091714GEN WR01X155114GEN WR38X150618SCREW-PKG 1222GEN WR17X368723GEN WR24X053324GEN WR17X223725GEN WR17X223926GEN WR02X768127GEN WR02X854428THIMBLE DOOR BLACK29GEN WR02X854230GEN WR01X182331GRILLE RECESS32RECESS DISP BLACK33GEN WR51X036234SPRING-RECESS DUCT45GEN WR02X4240