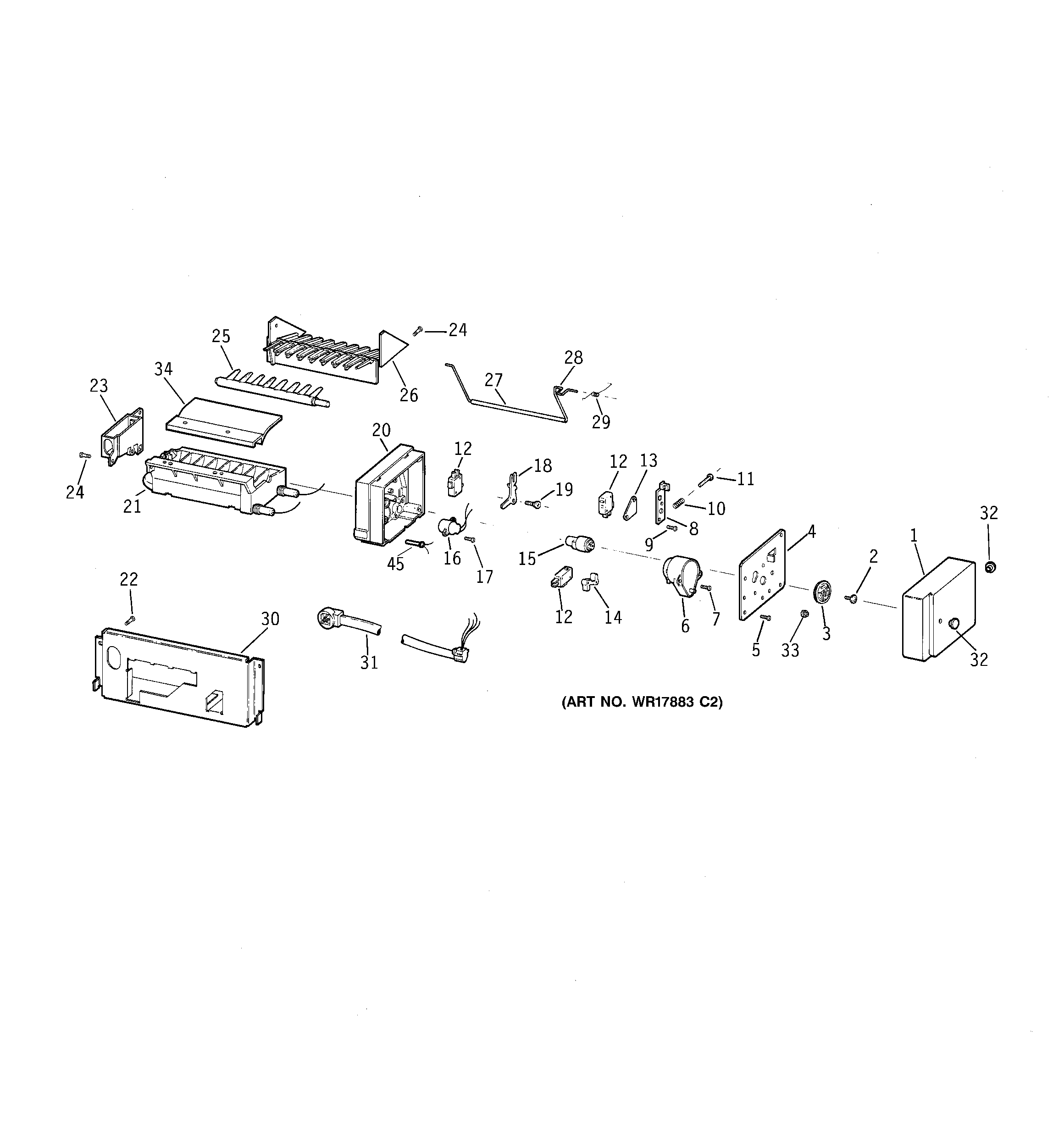
TBX22PCSRLWW ICE MAKERadmin2025-04-26T10:44:55+00:00TBX22PCSRLWW ICE MAKER ProductsPositionProduct1GEN 31-50251GEN 49-67491GEN 31-59245GEN WR02X87146GEN WR12X08837GEN WR12X102278GEN WR04X021210GEN WR02X800212GEN WR12X091714GEN WR38X137114GEN WR01X155118SCREW-PKG 1222GEN WR17X368723WR24X445 GE Refrigerator Gasket24GEN WR17X223725GEN WR17X223926GEN WR02X768127GEN WR02X778128DOOR THIMBLE29GEN WR02X808730SCREW31GEN WR02X834132GEN WR17X259833GEN WR51X036234SPRING-RECESS DUCT45GEN WR02X4240