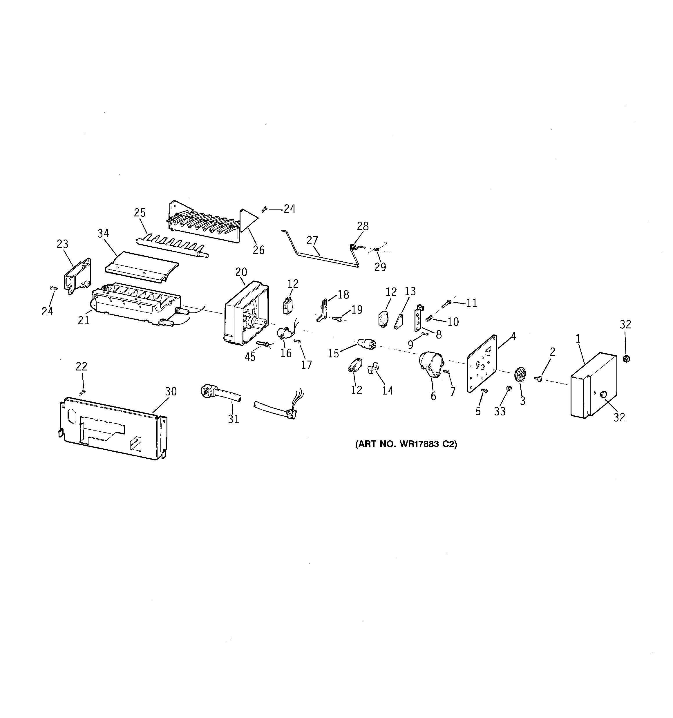
TBX22PCSSLBB ICE MAKER