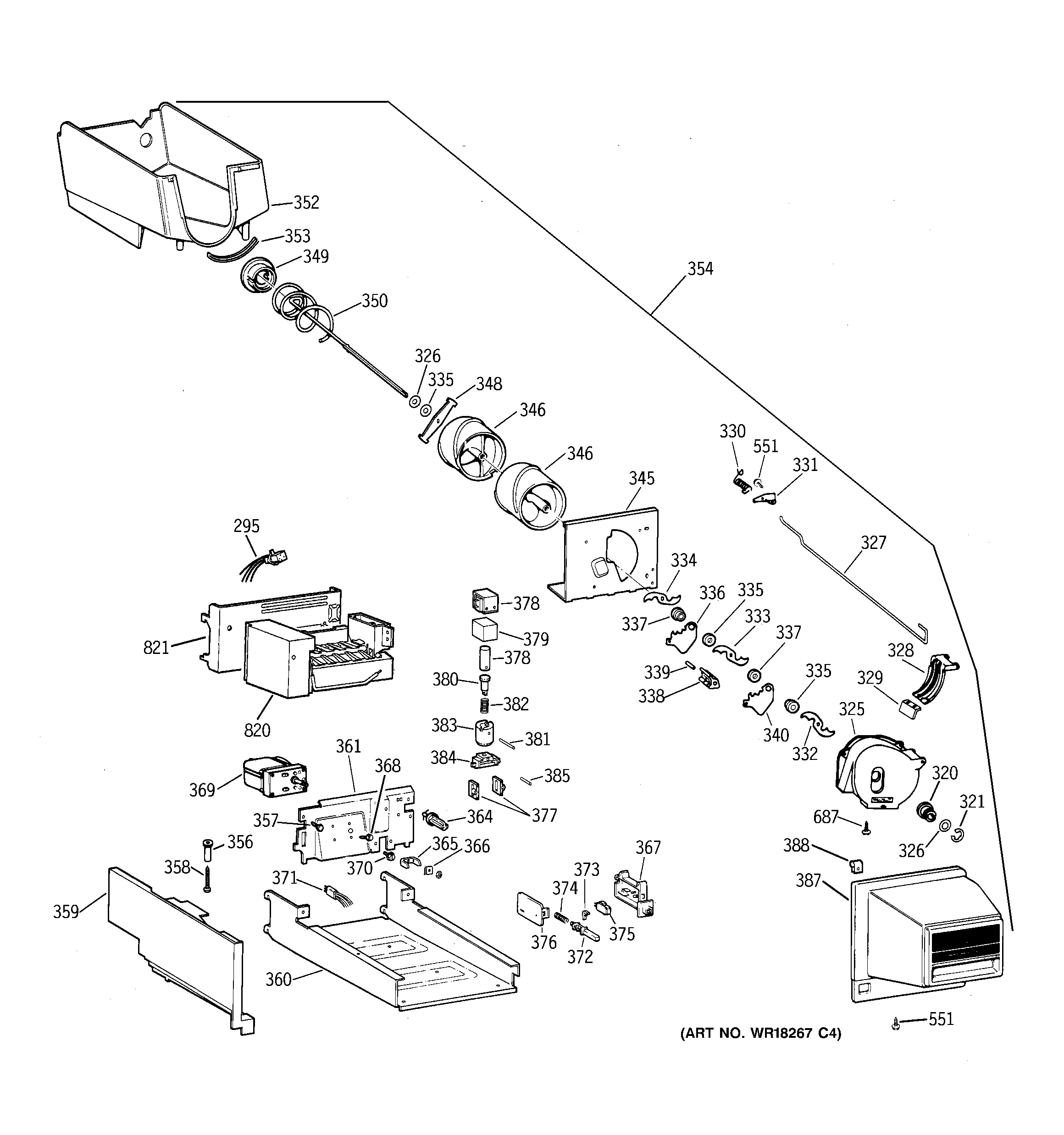
TBX22PRYNLWW ICE MAKER & DISPENSERadmin2025-04-26T10:47:06+00:00TBX22PRYNLWW ICE MAKER & DISPENSER ProductsPositionProduct295GEN WR23X0315320GEN WR01X1585321WR1X1367D GE Refrigerator Return Package 12325WR17X2061 GE Refrigerator Crush Dispenser326GEN WR01X1366327GEN WR17X2246328GEN WR02X4561328WR2X4143 GE Refrigerator Pivot328GEN WR17X2215329GEN WR02X7784330GEN WR02X4759331GEN WR02X4758332WR17X1361 GE Refrigerator Blades Moving Display333WR17X1362 GE Refrigerator Middle Blade334WR17X1363 GE Refrigerator Blades Moving Display335GEN WR02X4139336WR17X2058 GE Refrigerator Dispenser Blade337WR2X4138 GE Refrigerator Spacer338WR2X4140 GE Refrigerator Blade Rest339GEN WR02X4141340GEN WR17X2216345GEN WR17X2214346WR17X4207 GE Refrigerator Front Helix348GEN WR02X7783349WR2X4550 GE Refrigerator Drive Cup350GEN WR02X9481352GEN WR30X0264353WR2X7905 GE Refrigerator Bucket Seal354GEN WR17X4259356GEN WR02X7778357GEN WR01X1750358GEN WR01X1749359GEN WR17X3629360GEN WR71X1788361GEN WR17X3628364GEN WR02X7310365GEN WR02X4854366GEN WR01X1547367GEN WR02X7169368WR01X10618 GE Refrigerator Screw 8-18 TPT 1/4369WR60X10262 GE Refrigerator Motor Crusher Dispenser370GEN WR01X1858371GEN WR23X0317372GEN WR02X7776373GEN WR23X0290374GEN WR02X7172375GEN WR23X0288376GEN WR02X7171377GEN WR02X7774380GEN WR17X2224381WR62X23154 GE Refrigerator Ice Dispenser Solenoid Kit382WR62X26536 GE Refrigerator Armature Kit384GEN WR17X2225387GEN WR17X3929388GEN WR02X7769551GEN WZ04X0244687GEN WZ05X0194820GEN WR30X0326821GEN WR29X10004