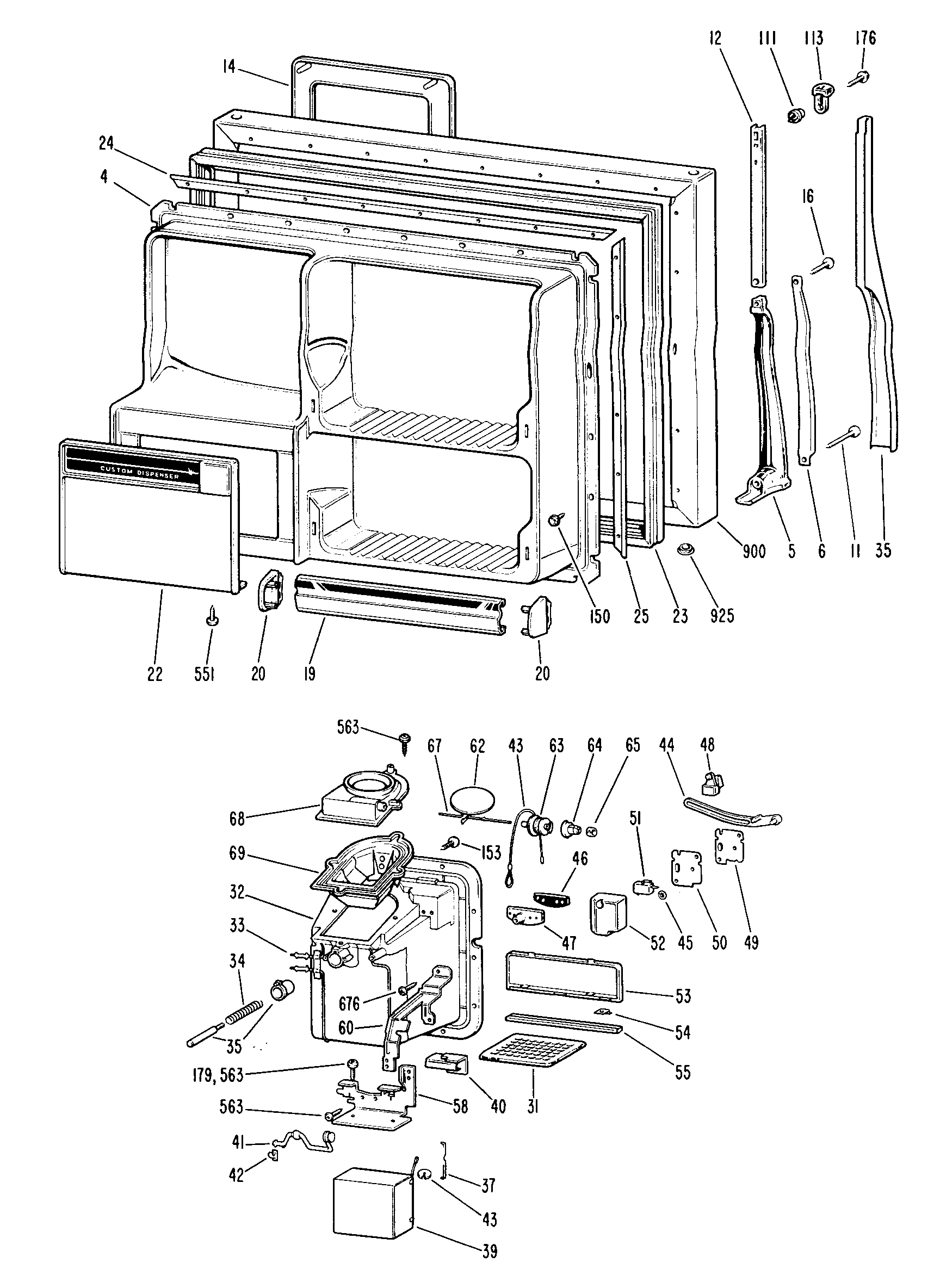
TBX22RFBR 1