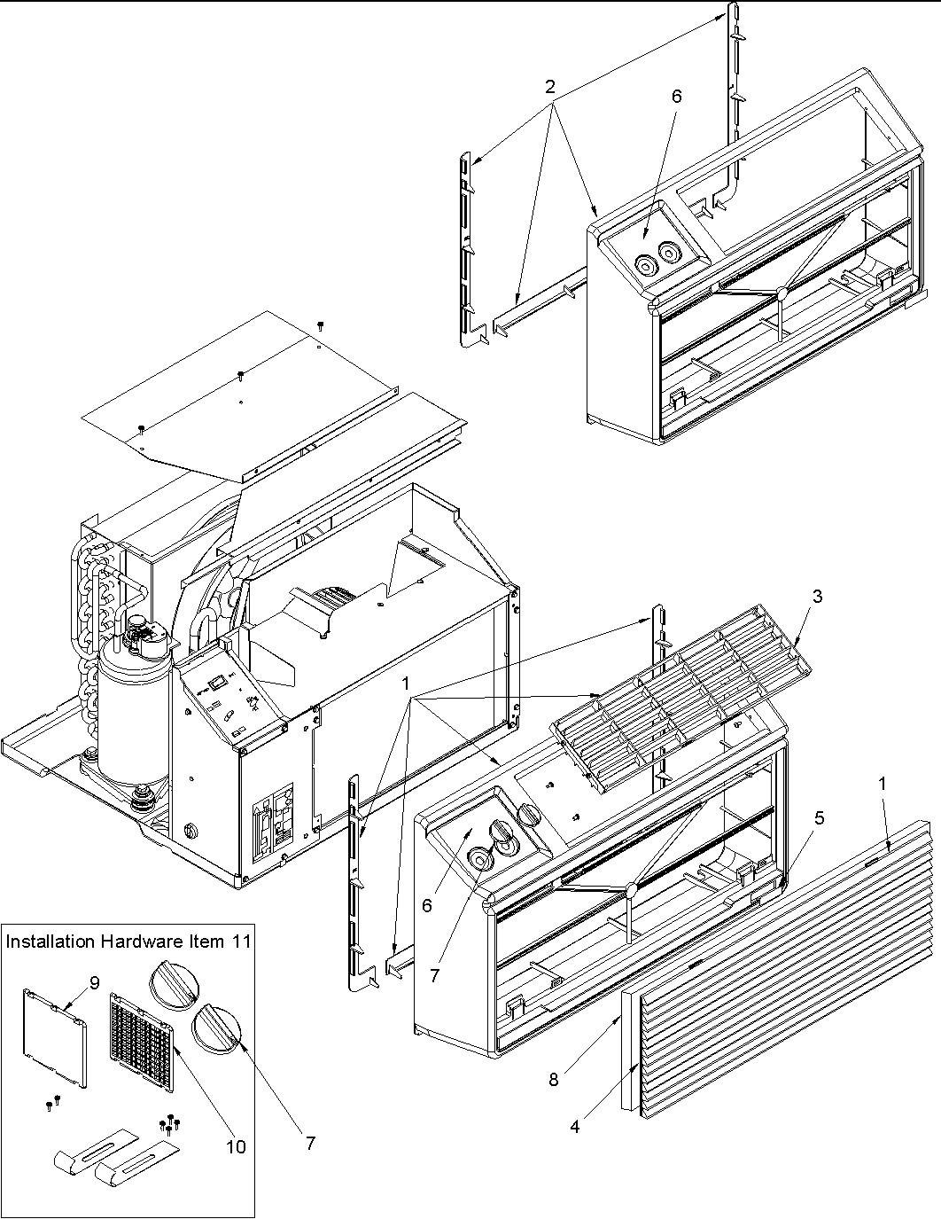
TC10090W2 03 – Outer Case Assyadmin2025-04-26T08:52:49+00:00TC10090W2 03 – Outer Case Assy ProductsPositionProductORDER GRAPHICS PANEL FROM THE SOURCE WHERE THE DRYER WAS PURCHASED. INCLUDE THECOMPLETE MODEL AND SERIAL NUMBERS WITH ORDER.NIMAY BT1392615NIMAY BT13926071MAY BT33750043MAY BT33752005MAY BT30759136MAY BT14933977MAY BT30756318MAY BT13696039MAY BT307600110MAY BT307600311MAY Y3352000