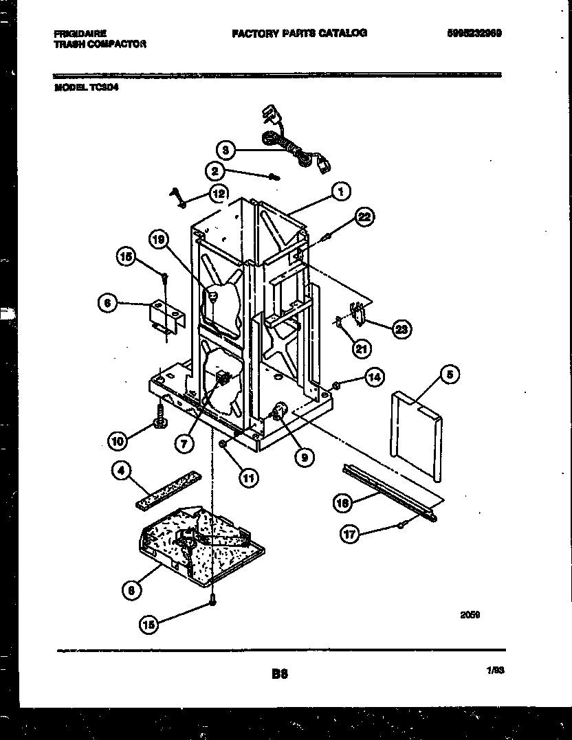
TC3D4 02 – INTERIOR PARTS