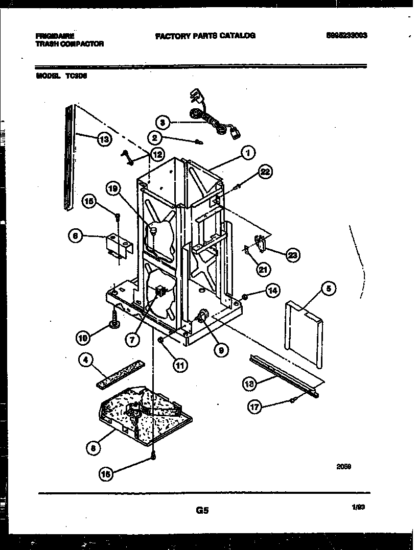
TC3D5 02 – INTERIOR PARTS