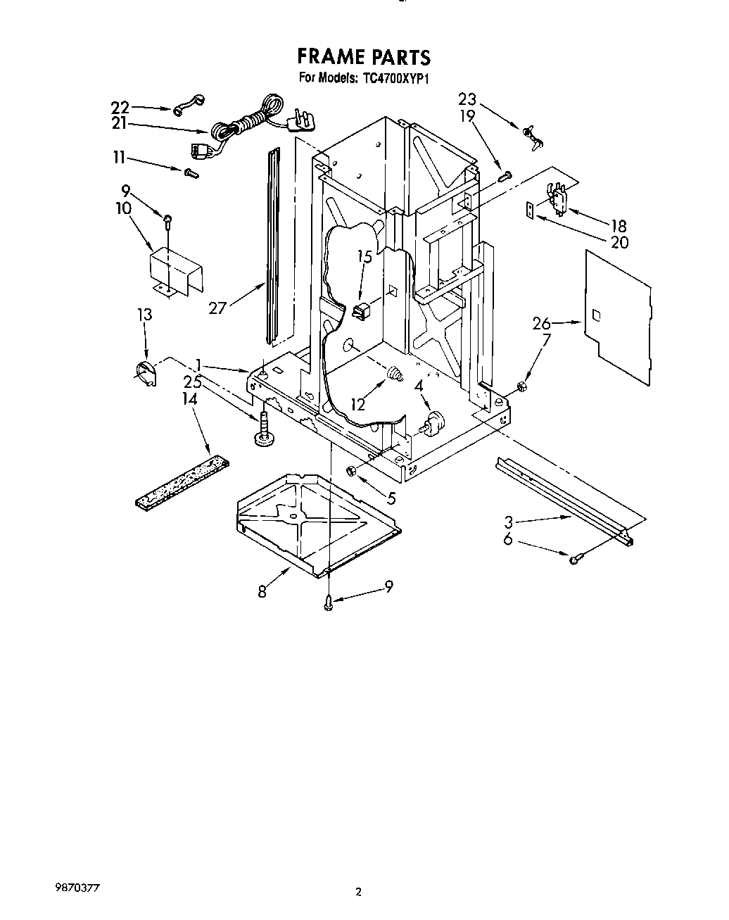
| 1 | Frame (Not a Serviceable Part) |
| 3 | WP9870975 Whirlpool Compactor Slide |
| 3 | SLIDE |
| 4 | 882688 Whirlpool Compactor Bearing |
| 5 | WP776356 Whirlpool Compactor Nut |
| 6 | WP486754 Whirlpool Compactor Screw |
| 7 | Nut, 6-32 (4) |
| 8 | WP780437 Whirlpool Compactor Bottom Pan |
| 9 | WP3351614 Whirlpool Screw |
| 10 | Shield, Slide Track |
| 11 | WP488234 Whirlpool Air Conditioner Screw |
| 12 | WP777180 Whirlpool Compactor Spring |
| 13 | Wheel, Leveler (R.H. Rear) |
| 13 | W11023674 Whirlpool Compactor Leveling Wheel |
| 14 | Barrier, Glass |
| 15 | WP4387911 Whirlpool Refrigerator Switch |
| 18 | Switch, Top Limit & Directional |
| 19 | 777849 Whirlpool Compactor Screw |
| 20 | Plate, Nut |
| 21 | Cord, Service |
| 22 | Bushing, Cord |
| 23 | Clamp, Wire |
| 25 | WPW10001130 Whirlpool Leveling Leg |
| 26 | WP9870444 Whirlpool Compactor Inner Panel |
| 27 | W10917246 Whirlpool Compactor RAM Slide |