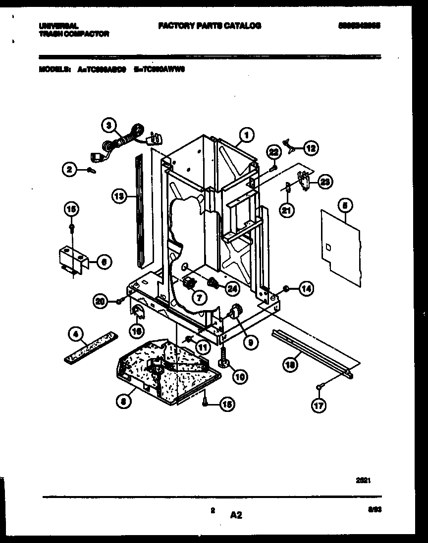
TC500ABD0 02 – INTERIOR PARTSadmin2025-04-26T10:19:35+00:00TC500ABD0 02 – INTERIOR PARTS ProductsPositionProduct2WCI 080035263WCI 080102824WCI 080035205WCI 53032979686WCI 53032931747WCI 080176058WCI 080035029WCI 530321258910WCI 0800348811WCI 0800351112WCI 530321258813WCI 530329317514WCI 0800350515WCI 0800350316WCI 530329319016AWCI 530329319117SCREW, COVER CONTROL18WCI 0800348018AWCI 0800347920WCI 0800356121WCI 0800355722WCI 0800355623WCI 0800355524WCI 5303297969