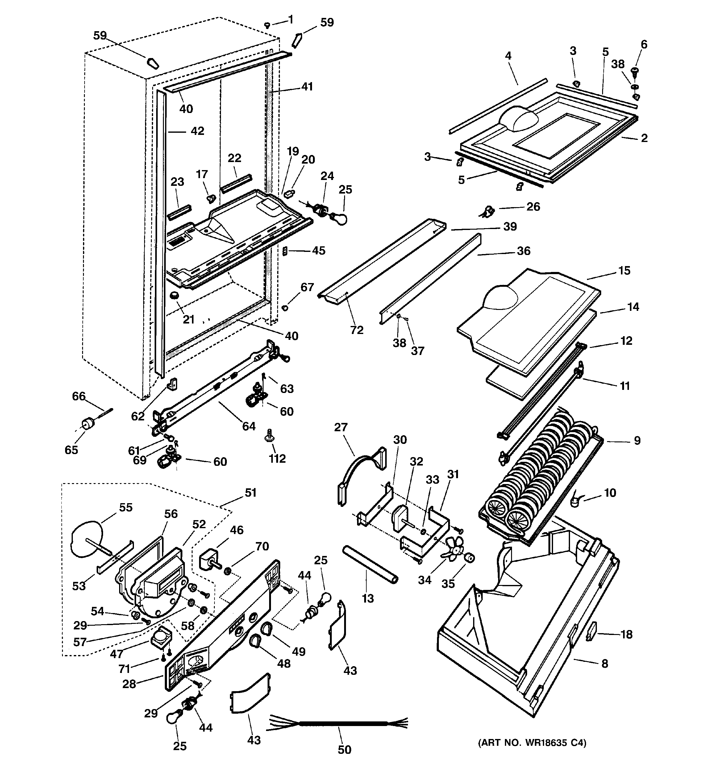
TCX18PADBRBB CABINET PARTSadmin2025-04-26T10:41:15+00:00TCX18PADBRBB CABINET PARTS ProductsPositionProduct1GEN WR02X101821GEN WR02X102442GEN WR17X104033GEN WR02X101834GEN WR14X100175GEN WR14X100186GEN WR01X100678GEN WR17X104049GEN WR85X1001010WR50X133 GE Refrigerator Defrost Thermostat11GEN WR51X1002712GEN WR02X1018413GEN WR02X1018514GEN WR02X1018615GEN WR02X1018717GEN WR02X1018818GEN WR23X033419GEN WR17X1040519GEN WR01X1006820GEN WR02X1018920GEN WR02X1019021GEN WR02X1019122GEN WR02X1019223GEN WR02X1019324WR2X9391 GE Socket and Terminal25GEN PURCH LOCAL.26GEN WR23X1009327GEN WR02X1019428GEN WR17X1059729GEN WZ04X024430GEN WR02X1019531GEN WR02X1019632GEN WR60M13133GEN WR02X739134WR60X123 GE Fan Blade Black35GEN WR02X927236GEN WR02X1024537GEN WR01X1009438GEN WR01X1009538GEN WR01X205639GEN WR02X1019840GEN WR40X1002441GEN WR40X1002542GEN WR40X1002643GEN WR02X1019944GEN WR02X1020045GEN WR02X1020146GEN WR09X1003047WR9X483 GE Refrigerator Defrost Timer 10 Hour 35 Minute48GEN WR02X1020249GEN WR02X1020350GEN WR23X1008651GEN WR02X1020452GEN WR02X1020553GEN WR02X1020654GEN WR02X1020755GEN WR02X1020856GEN WR14X1001957GEN WR01X1007058GEN WR01X1007159GEN WR02X1024660GEN WR02X1021061GEN WR01X1007262GEN WR02X1021162GEN WR02X1021263GEN WR01X1007364GEN WR79X1001665WHEEL MOBILITY FRT66GEN WR02X821367GEN WR02X1024769GEN WR01X1007470GEN WR01X1007571SCREW-MOUNTING, TIMER72GEN WR01X10076112GEN WB02X7701