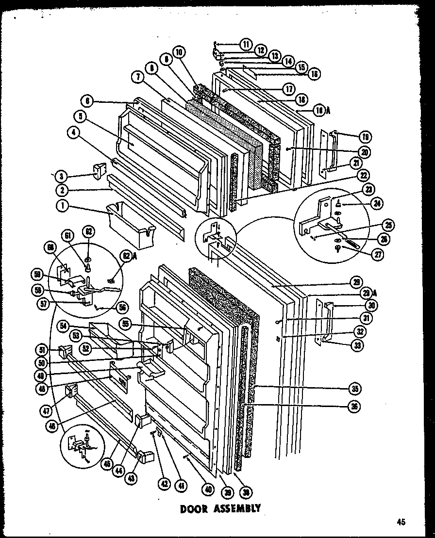
TD19LF 03 – Page 5admin2025-04-26T08:52:41+00:00TD19LF 03 – Page 5 ProductsPositionProductNIMAY A3061801NIMAY A3061802NIMAY A30618031MAY D39349022MAY D39767093MAY D39768083MAY D39768074MAY B56320035MAY D39707026MAY D39737017MAY D30730118MAY B56120019MAY A307301310MAY A307301211MAY M024453112MAY C358590213MAY A309210113MAY A307640115MAY M027402416MAY C357760116MAY C357800217MAY M055000118MAY D397345218MAY C359290818MAY D397345618MAY C359270618MAY D702851018MAY B059900522MAY B052355523MAY C357250126MAY M027402727MAY B053980629MAY M021402829MAY D702851229MAY M021171629MAY C359290729MAY C359270829MAY B059900429MAY D398960429MAY D398960229MAY D397345429MAY D397345830MAY D395510131MAY M024823132MAY M028980233MAY C360420135MAY A307301036MAY B052355738MAY D397420139MAY D397810540MAY M024111841MAY A307920242MAY M021151643MAY D397680545MAY D397671046MAY B563200748MAY D702640149MAY D379980150MAY B563370151MAY D397680652MAY M020740353MAY C362380254MAY D398440255MAY A308470156MAY M024615958MAY B562540159MAY A308350160MAY A306190260MAY A306190360MAY A306190161MAY B053980762MAY B053950162MAY A3054301