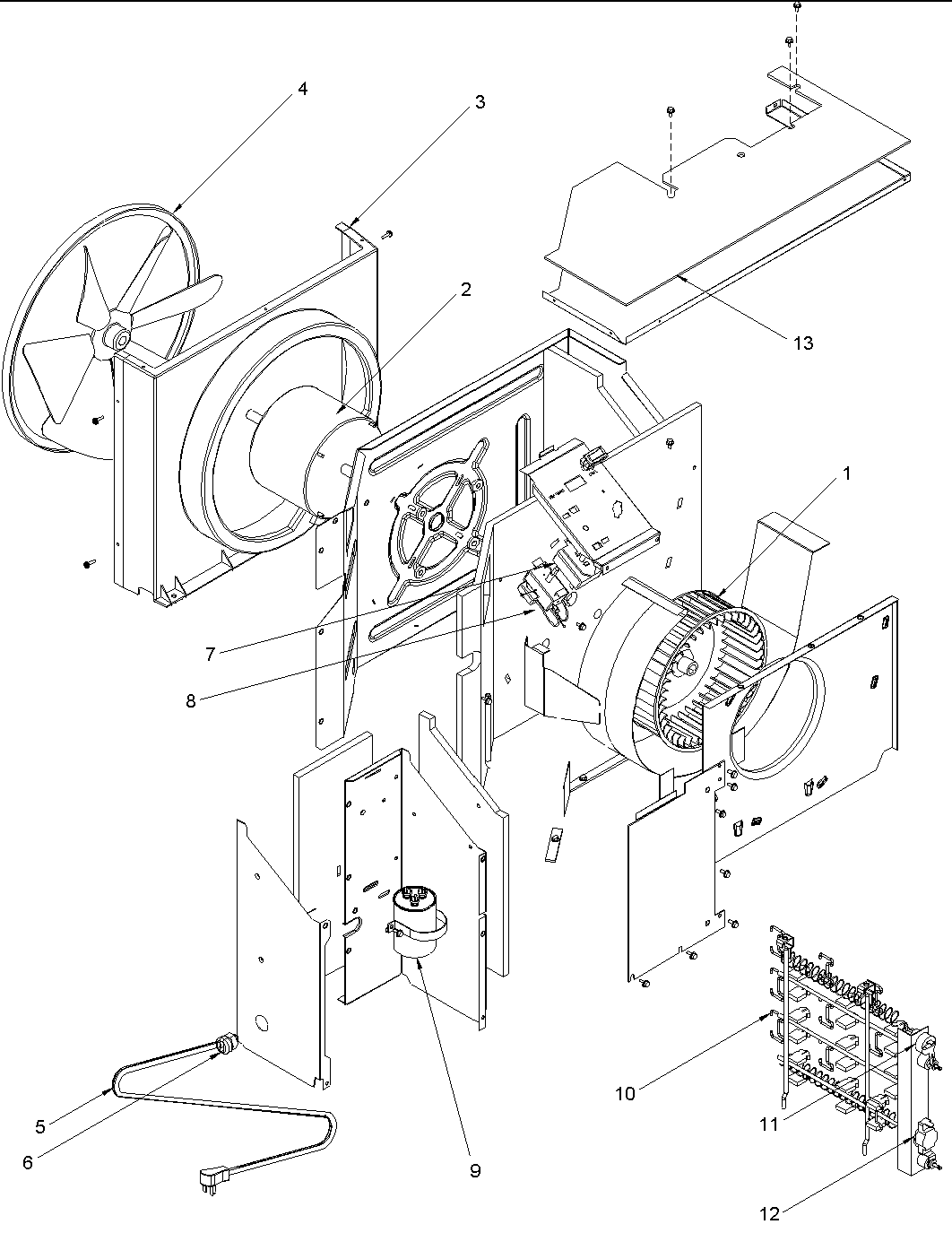
TE07090W1A 01 – Center Partition Assemblyadmin2025-04-26T08:53:10+00:00TE07090W1A 01 – Center Partition Assembly ProductsPositionProductNIMAY 30932011MAY BT13680062MAY BT13400133MAY BT33110004MAY BT10867035MAY BT12100036MAY BT13921017MAY BT13708328MAY BT13708079MAY BT945700210MAY BT142000211MAY BT124371812MAY BT124371913MAY BT3393010