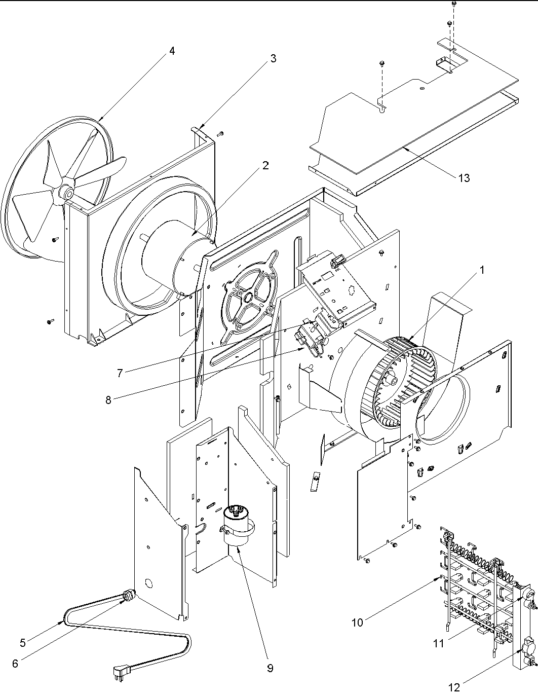
TE08090W1B 01 – Center Partition Assemblyadmin2025-04-26T08:53:00+00:00TE08090W1B 01 – Center Partition Assembly ProductsPositionProduct1MAY BT13680062MAY BT13400133MAY BT33110004MAY BT10867035MAY BT12100036MAY BT13921077MAY BT13708328MAY BT13708079MAY BT945700510MAY BT142000911MAY BT124373512MAY BT124373713MAY BT3393010