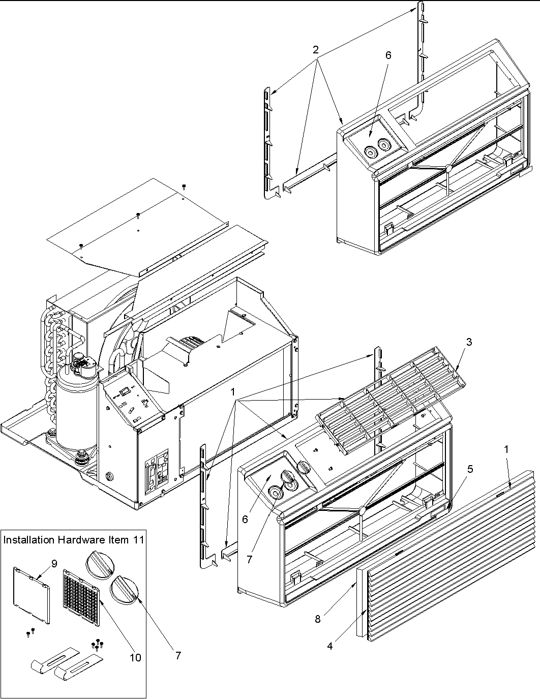
TE11185W2B 03 – Outer Case Assyadmin2025-04-26T08:53:09+00:00TE11185W2B 03 – Outer Case Assy ProductsPositionProductORDER GRAPHICS PANEL FROM THE SOURCE WHERE THE DRYER WAS PURCHASED. INCLUDE THECOMPLETE MODEL AND SERIAL NUMBERS WITH ORDER.NIMAY BT1392607NIMAY BT13926151MAY BT33750042MAY BT33751043MAY BT33752004MAY BT33756005MAY BT30759136MAY BT149331797MAY BT30756318MAY BT13696039MAY BT307600110MAY BT307600311MAY Y3352000