| *16649 | Plug,button |
| *16650 | WCI 5303300414 |
| *16651 | 5303308456 Frigidaire Oven Screw |
| *16652 | Foam seal,(3) |
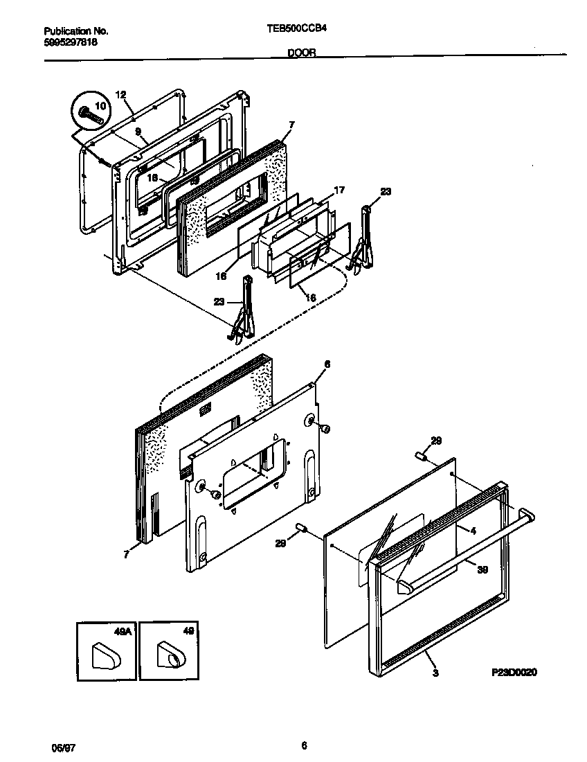
| 3 | WCI 5303212560 |
| 4 | WCI 3202420 |
| 6 | WCI 5303210005 |
| 7 | WCI 5303308470 |
| 9 | WCI 318048400 |
| 10 | WCI 5303316748 |
| 12 | WCI 5303316768 |
| 16 | GLASS-OVEN DOOR, HEAT BARRIER |
| 17 | SPACER-GLASS, LOWER OVEN |
| 18 | SEAL-ROPE |
| 23 | WCI 318074103 |
| 29 | SPACER-HANDLE MTG, (2) |
| 39 | WCI 318040201 |
| 49 | WCI 5303307193 |
| 49 | WCI 5303307192 |