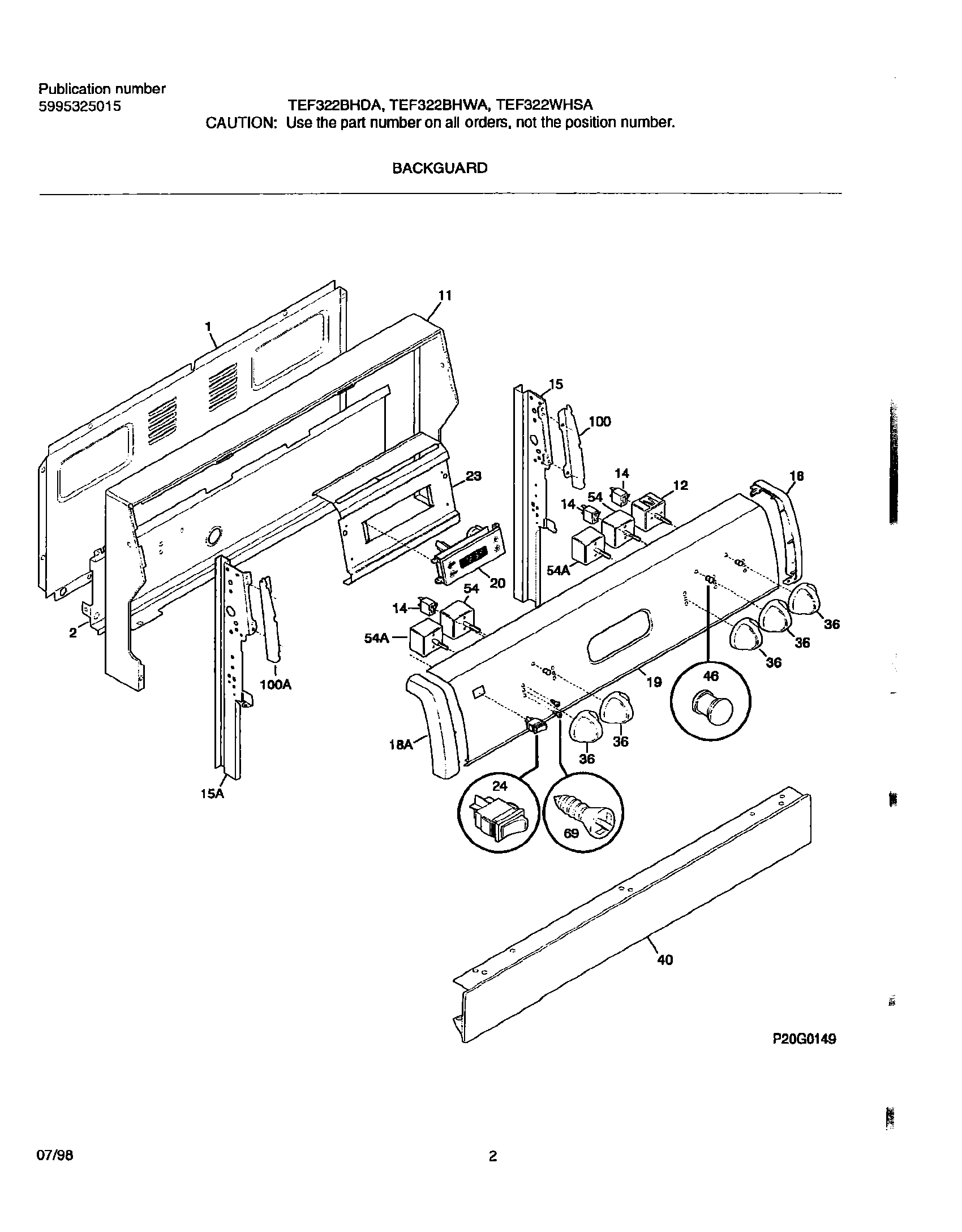
TEF322WHSA 03 – BACKGUARDadmin2025-04-26T09:38:14+00:00TEF322WHSA 03 – BACKGUARD ProductsPositionProductNISCREW-SWITCH MTG, 8-32 X 3/16, SW TO CNTL PNL, (8)NIWCI 316000184NIWCI 316002681NIWCI 316021122NIScrew,cup pt ,8-18 x 0.375 ,chromeNI316021109 Frigidaire Oven ScrewNI316112500 Frigidaire Oven Template1WCI 3160816012WCI 31601590711WCI 31606185212WCI 31603240714316022503 Frigidaire Light Lamp P-115WCI 31602310815AWCI 31602310918AWCI 31611520118WCI 31611520019WCI 31612360120WCI 31611620020WCI 31611530023WCI 316115100245304527842 Frigidaire Rocker Switch36316025106 Frigidaire Control Knob40WCI 31606403046318228310 Frigidaire Oven Lens54A316436001 Frigidaire Oven Range Infinite Burner Switch545303935086 Frigidaire Oven Top Burner Switch Kit100WCI 316128300100AWCI 316128301