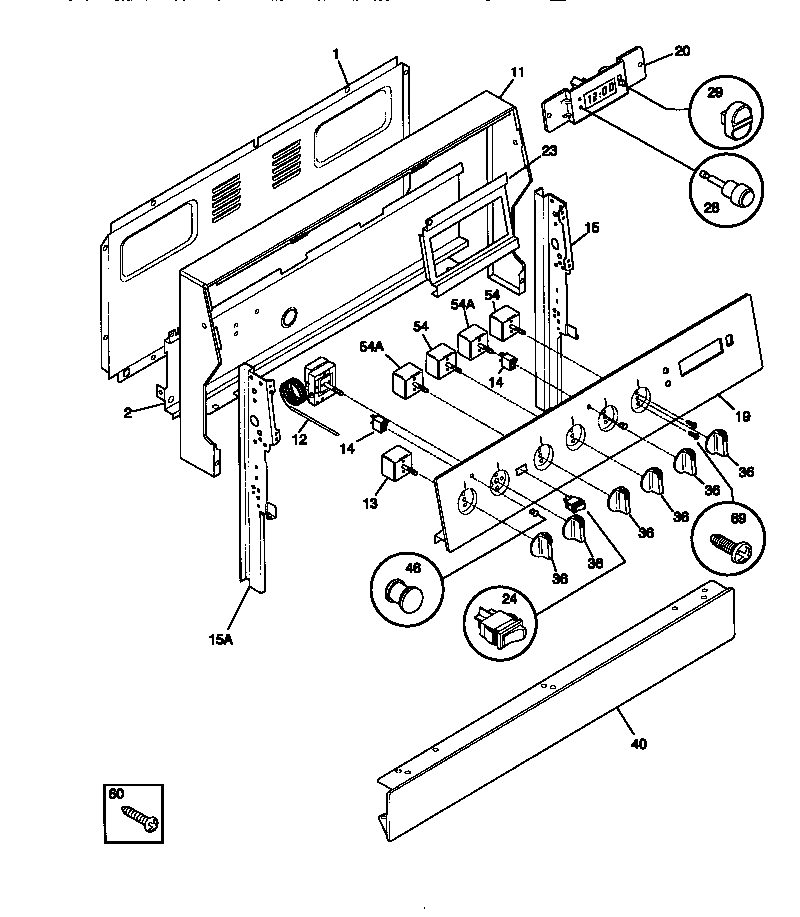
TEF324BCDA 02 – BACKGUARDadmin2025-04-26T09:38:20+00:00TEF324BCDA 02 – BACKGUARD ProductsPositionProduct*69641WCI 316001355*69640WCI 53032815841WCI 3160816012WCI 31601590711WCI 31606184112THERMOSTAT, OVEN, NON SC13WCI 31603250014316022503 Frigidaire Light Lamp P-115AWCI 31602311115WCI 31602311019WCI 31607650120WCI 530327230923WCI 316079003245304527841 Frigidaire Oven Rocker Switch (Black)28BUTTON-CLOCK29KNOB-TIMER BUTTON36WCI 31601520640WCI 31606232946318228310 Frigidaire Oven Lens54A316436001 Frigidaire Oven Range Infinite Burner Switch545303935086 Frigidaire Oven Top Burner Switch Kit60316021105 Frigidaire Oven Screw69SCREW-SWITCH MTG, 8-32 X 3/16, SW TO CNTL PNL, (8)