TEF350SCDE 02 – BACKGUARDadmin2025-04-26T09:39:00+00:00TEF350SCDE 02 – BACKGUARD
Products
| Position | Product |
|---|
| *76360 | 316021105 Frigidaire Oven Screw |
| *76361 | Screw,cup pt ,8-18 x 0.375 ,chrome |
| *76362 | WCI 5303272555 |
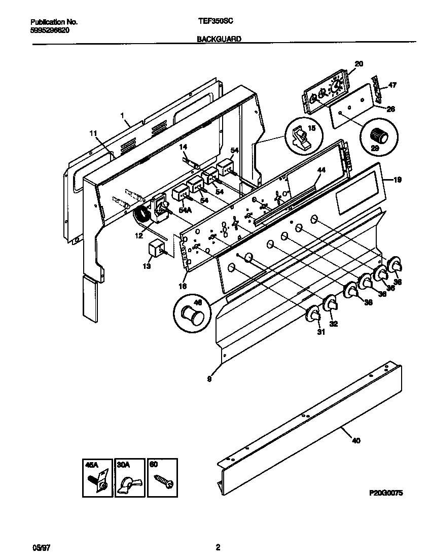
| 1 | SHIELD-BACKGUARD,REAR WALL |
| 9 | WCI 316043602 |
| 11 | Trim,wrapper ,black |
| 12 | THERMOSTAT-OVEN |
| 13 | WCI 316023200 |
| 14 | LIGHT/LAMP, INDICATOR, BLUE, 250 V |
| 15 | SUPPORT-BACKGUARD,(2) |
| 16 | WCI 316042602 |
| 19 | WCI 316034116 |
| 20 | WCI 316038107 |
| 26 | WCI 3201695 |
| 29 | WCI 316029008 |
| 30 | WCI 316064300 |
| 31 | WCI 316087241 |
| 32 | WCI 316087239 |
| 36 | WCI 316087240 |
| 40 | WCI 316062329 |
| 44 | WCI 3131468 |
| 45 | WCI 316056902 |
| 46 | Lens,indicator light ,red |
| 47 | RETAINER, CLOCK GLASS, (2) |
| 54 | 5303935086 Frigidaire Oven Top Burner Switch Kit |