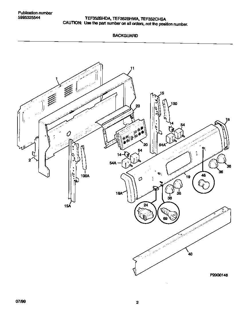
TEF352BHWA 02 – BACKGUARDadmin2025-04-26T09:39:05+00:00TEF352BHWA 02 – BACKGUARD ProductsPositionProduct*86489316021105 Frigidaire Oven Screw*86485316112500 Frigidaire Oven Template*86480WCI 316081303*86488WCI 316101527*86484WCI 316085600*86481Screw,cup pt ,8-18 x 0.375 ,chrome*86482316021109 Frigidaire Oven Screw*86486SCREW-SWITCH MTG, 8-32 X 3/16, SW TO CNTL PNL, (8)1WCI 3160816012WCI 31601590711WCI 31606185114316022503 Frigidaire Light Lamp P-115WCI 31602310815WCI 31602310918WCI 31611521518WCI 31611521419WCI 31612360320WCI 31610100123WCI 316115101245304527841 Frigidaire Oven Rocker Switch (Black)36316025108 Frigidaire Control Knob40WCI 31606400946318228310 Frigidaire Oven Lens545303935086 Frigidaire Oven Top Burner Switch Kit54316436001 Frigidaire Oven Range Infinite Burner Switch100AWCI 316128300100BWCI 316128301