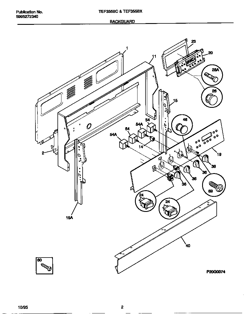
TEF355BCDA 02 – BACKGUARDadmin2025-04-26T09:40:34+00:00TEF355BCDA 02 – BACKGUARD ProductsPositionProduct*47680WCI 53032815841WCI 3160816012WCI 31601590711WCI 31606184114316022503 Frigidaire Light Lamp P-115WCI 31602311015WCI 31602311119WCI 31607650620WCI 31606450023WCI 316079003245304527841 Frigidaire Oven Rocker Switch (Black)28PUSH BUTTON, CLOCK/TIMER/EOC, BLACK28WCI 31603690036WCI 31601520640WCI 31606232946318228310 Frigidaire Oven Lens54316436001 Frigidaire Oven Range Infinite Burner Switch545303935086 Frigidaire Oven Top Burner Switch Kit60316021105 Frigidaire Oven Screw69SCREW-SWITCH MTG, 8-32 X 3/16, SW TO CNTL PNL, (8)