| *54885 | WCI 5303281584 |
| *54884 | 316205500 Frigidaire Oven Nut |
| *54886 | WCI 316001186 |
| *54883 | 3203550 Frigidaire Oven Plug |
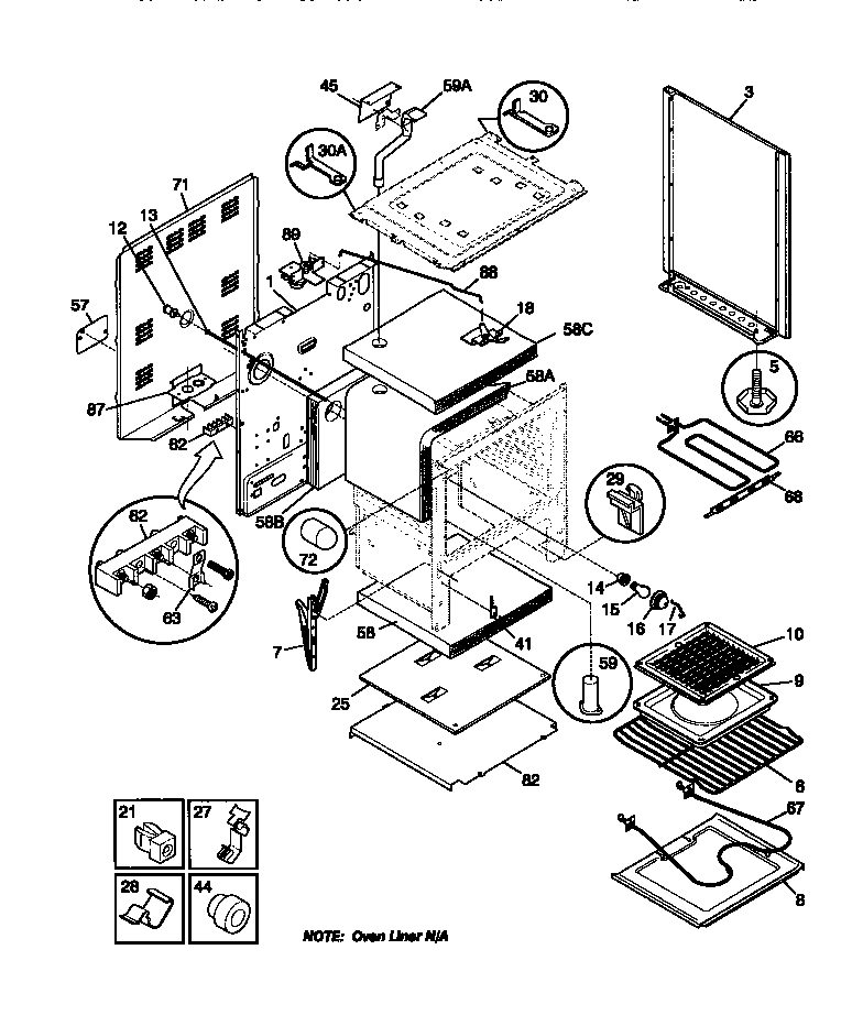
| 1 | WCI 316080801 |
| 3A | WCI 316081005 |
| 3 | WCI 316081004 |
| 3B | SHIELD, HEAT, BODY SIDE (NOT ILLUSTRATED) |
| 3C | FASTENER-EDGE MTG (NOT ILLUSTRATED) |
| 5C | NUT, T,TYPE, LEVELING SCREW (NOT ILLUSTRATED) |
| 5B | 316116000 Frigidaire Screw |
| 5A | WCI 3934058 |
| 5 | SCREW-LEVELING |
| 6 | 316067902 Frigidaire Oven Rack |
| 7 | WCI 316007002 |
| 8 | PANEL-OVEN BOTTOM |
| 9 | WCI 316073800 |
| 10 | WCI 3205234 |
| 12 | SWITCH-OVEN LIGHT, DOOR FRAME |
| 13 | WCI 316026800 |
| 14 | 316116400 Frigidaire Oven Light Socket |
| 15 | 316538904 Frigidaire Oven Lamp Light |
| 16 | 5304524341 Frigidaire Lens |
| 17 | 316087500 Frigidaire Oven Retainer |
| 18 | WCI 316036300 |
| 21 | SPACER-BODYSIDE, (8) |
| 25 | WCI 3200848 |
| 27 | 5303284616 Frigidaire Range Bulb Clip Thermostat |
| 28 | Clip,wiring harness ,green ,main top |
| 29 | 3051162 Frigidaire Oven Range Front Broiler Drawer Glide |
| 30A | BRACKET-HINGE, MAIN TOP, LH |
| 30 | BRACKET-HINGE, MAIN TOP RH |
| 41 | WCI 3131570 |
| 44 | 3131903 Frigidaire Door/Drawer Bumper |
| 45 | WCI 316066101 |
| 57 | WCI 316081101 |
| 58 | 316403803 Frigidaire Insulation |
| 58A | INSULATION, OVEN WRAPPER |
| 58B | WCI 316054200 |
| 58C | INSULATION, OVEN TOP |
| 59A | WCI 316023600 |
| 59 | WCI 316073602 |
| 59B | BRACKET-MOUNTING,VENT TUBE |
| 62 | 5304409888 Frigidaire Oven Terminal Block with Hardware |
| 63 | PLATE-GROUND STRAP |
| 66 | 5303051140 Frigidaire Broil Element |
| 67 | 316075103 Frigidaire Oven Bake Element |
| 68 | 316203400 Frigidaire Oven Support |
| 71 | WCI 316015805 |
| 72 | COVER-LIGHT/SWITCH ROD |
| 82 | SHIELD, OVEN BOTTOM |
| 87 | WCI 316081201 |
| 88 | WCI 316026400 |
| 89 | WCI 316028100 |