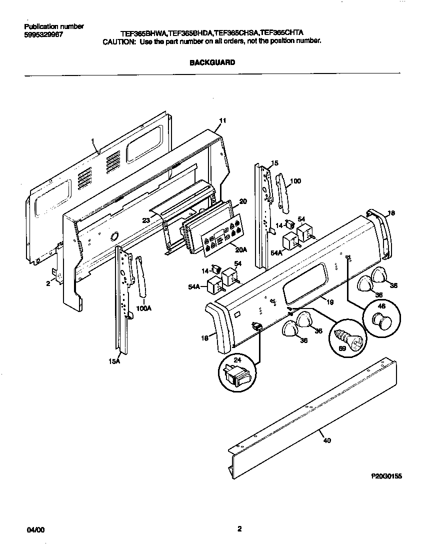
TEF365BHDA 02 – BACKGUARDadmin2025-04-26T09:40:59+00:00TEF365BHDA 02 – BACKGUARD ProductsPositionProduct*65090316021105 Frigidaire Oven Screw*65080WCI 316001564*65088WCI 316101527*65084WCI 316085600*65085316112500 Frigidaire Oven Template*65081Screw,cup pt ,8-18 x 0.375 ,chrome*65082316021109 Frigidaire Oven Screw*65086SCREW-SWITCH MTG, 8-32 X 3/16, SW TO CNTL PNL, (8)1WCI 3160816012WCI 31601590511WCI 31606185114316022503 Frigidaire Light Lamp P-115WCI 31602310815WCI 31602310918WCI 31611520418WCI 31611520519WCI 31612360620WCI 31610100123WCI 316115101245304527841 Frigidaire Oven Rocker Switch (Black)36316025108 Frigidaire Control Knob40WCI 31606400946318228310 Frigidaire Oven Lens545303935086 Frigidaire Oven Top Burner Switch Kit54316436001 Frigidaire Oven Range Infinite Burner Switch100AWCI 316128300100BWCI 316128301