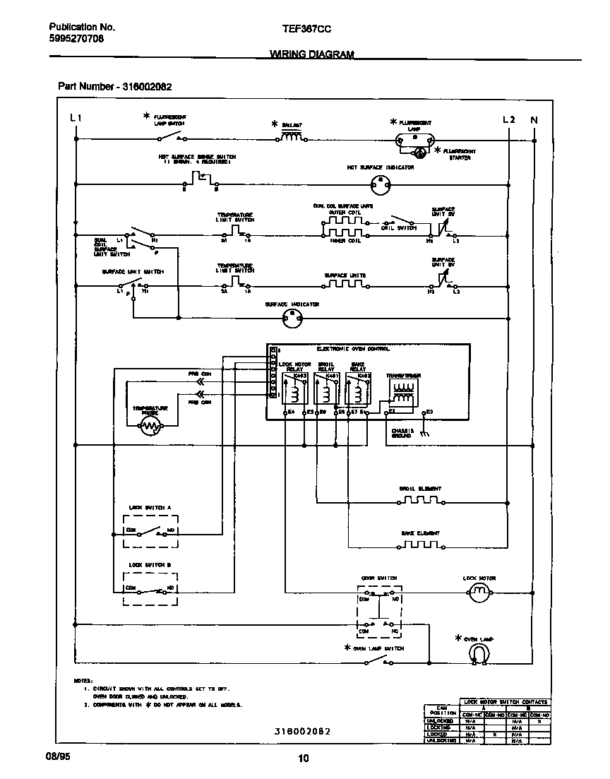
TEF367CCSA 06 – WIRING DIAGRAMadmin2025-04-26T09:42:08+00:00TEF367CCSA 06 – WIRING DIAGRAM ProductsPositionProduct1WCI 316002082