TEF367CCTE 02 – BACKGUARDadmin2025-04-26T09:42:32+00:00TEF367CCTE 02 – BACKGUARD
Products
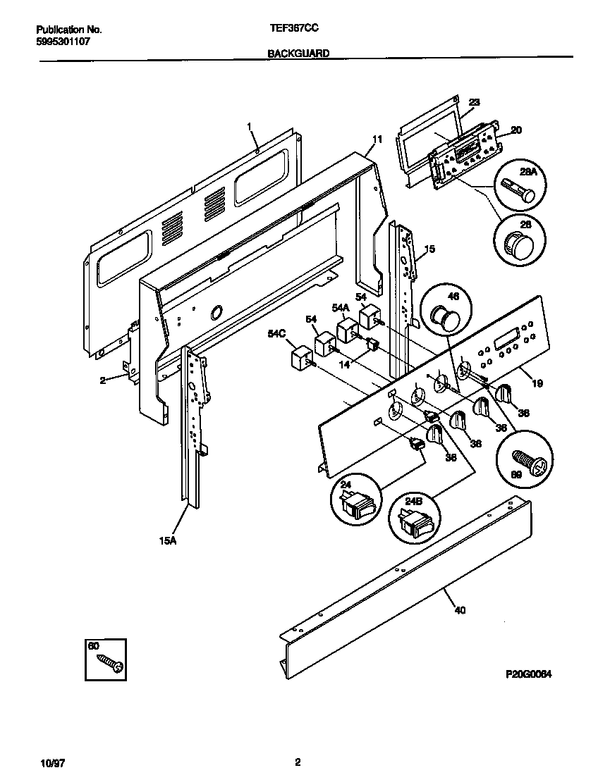
| Position | Product |
|---|
| *05160 | Screw,cup pt ,8-18 x 0.375 ,chrome |
| 1 | WCI 316081601 |
| 2 | WCI 316015905 |
| 11 | WCI 316061843 |
| 14 | 316022503 Frigidaire Light Lamp P-1 |
| 15 | WCI 316023109 |
| 15 | WCI 316023108 |
| 19 | WCI 316076511 |
| 20 | WCI 316080100 |
| 23 | WCI 316079002 |
| 24 | SWITCH-ROCKER,OVEN LIGHT ,ALMOND |
| 24 | SWITCH-ROCKER, ALMOND, DUAL ELEMENT |
| 28 | WCI 316015105 |
| 28 | Shaft,push button ,black ,clock/timer/EOC |
| 36 | WCI 316015208 |
| 40 | WCI 316064015 |
| 46 | 318228310 Frigidaire Oven Lens |
| 54 | 5304528972 Frigidaire Switch |
| 54 | 316436001 Frigidaire Oven Range Infinite Burner Switch |
| 54 | 5303935086 Frigidaire Oven Top Burner Switch Kit |
| 60 | 316021105 Frigidaire Oven Screw |
| 69 | SCREW-SWITCH MTG, 8-32 X 3/16, SW TO CNTL PNL, (8) |