TER46W0WN1 03 – CONTROL PANELadmin2025-04-26T11:22:43+00:00TER46W0WN1 03 – CONTROL PANEL
Products
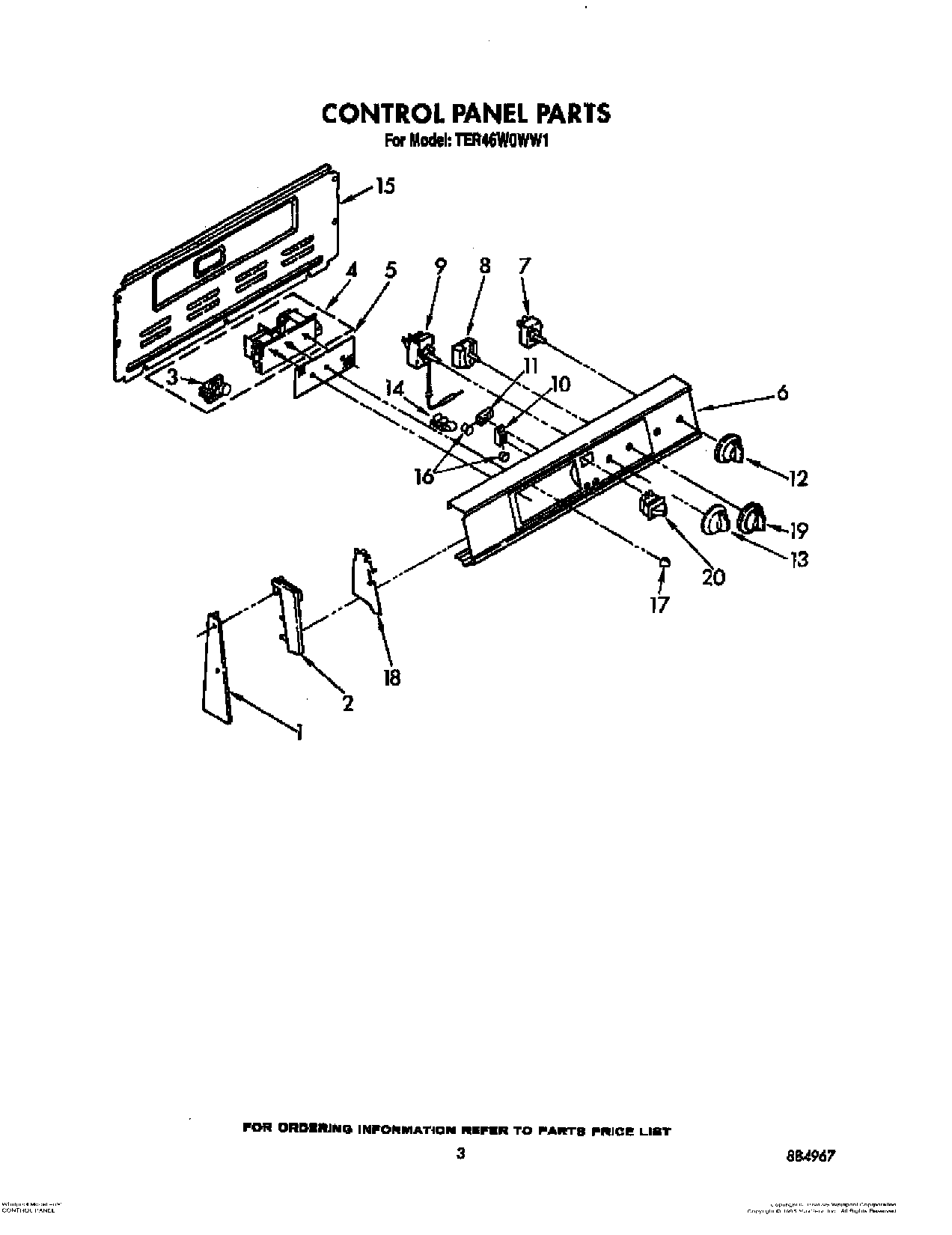
| Position | Product |
|---|
| 1 | Screw 10-32x1`` |
| 1 | Screw 10-32x7/16`` |
| 2 | End Cap R.H. |
| 2 | End Cap L.H. |
| 2 | Screw, |
| 3 | Motor, Timer |
| 4 | Timer, Auto |
| 5 | Glass, Timer |
| 6 | Panel, Control |
| 6 | Washer |
| 7 | WP3148952 Whirlpool Oven Infinite Switch |
| 7 | WP3149400 Whirlpool Oven Infinite Switch |
| 7 | WP486579 Whirlpool Air Conditioner Screw |
| 8 | Switch, Selector |
| 9 | WP313808 Whirlpool Screw |
| 9 | Thermostat, Oven |
| 10 | Light, Indicator (Surface Unit On) |
| 11 | Light, Indicator (250V) |
| 12 | WP3149983 Whirlpool Knob |
| 13 | Knob, Thermostat |
| 14 | Clip, Tube |
| 15 | Harness-Conduit Asm. |
| 15 | SCREW |
| 16 | Lens, Amber |
| 17 | Spring (3) |
| 17 | WP3169181 Whirlpool Knob |
| 18 | Shield (2) |
| 18 | WP965173 Whirlpool Dishwasher Screw |
| 19 | Knob, Selector |
| 20 | WP4314961 Whirlpool Lite Switch |