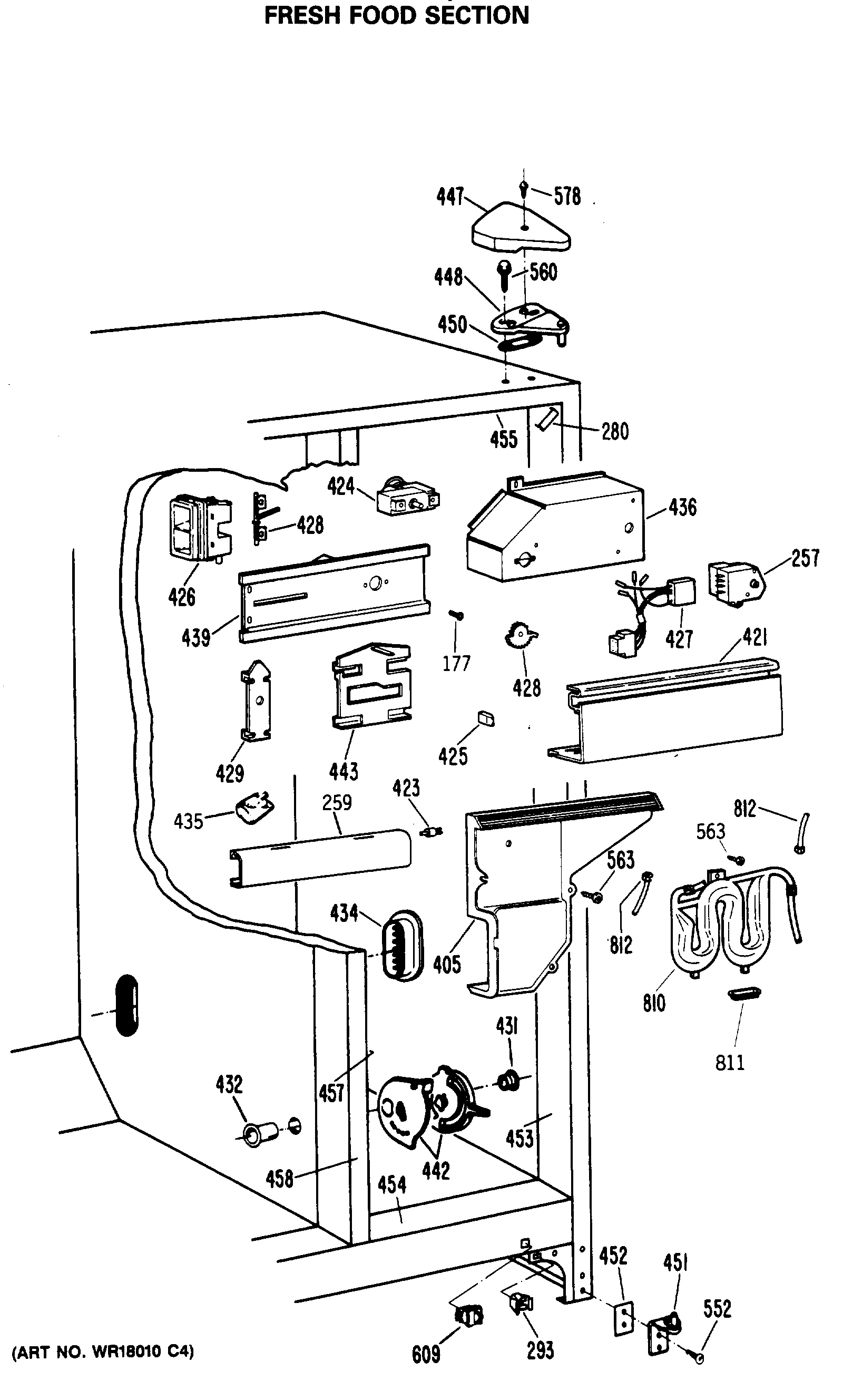
TFC22PRSBWW FRESH FOOD SECTIONadmin2025-04-26T10:41:43+00:00TFC22PRSBWW FRESH FOOD SECTION ProductsPositionProduct177SCREW257DEFROST TIMER259GEN WR17X2555280GEN WR02X8518293GEN WR02X7080405GEN WR17X1523405GEN WR14X0264421GEN WR17X2975423GEN WR02X6347424GEN WR09X0499425GEN WR02X8398426GEN WR02X8514426GEN WR14X0369426GEN WR02X8425427GEN WR23X0357428GEN WR02X8513428GEN WR02X8582429HOLDER HEATER ELEMENT431GEN WR02X8722432GEN WR02X8654434GEN WR02X9021435WR2X9391 GE Socket and Terminal435RANGE ONLY 40W 120V APPL BULB436GEN WR02X7736439GEN WR17X2922442GEN WR02X8651443GEN WR02X8570447GEN WR02X8262448GEN WR13X0646450GEN WR02X4194451WR13X10020 GE Refrigerator Door Hinge Assembly with Cam452NUTSTRIP HINGE452SHIM HINGE BTM.453GEN WR40X1679454GEN WR40X1678455GEN WR40X1680457GEN WR40X1672458GEN WR02X8721458GEN WR02X7033458GEN WR40X1677458GEN WR02X4739560GEN WR01X1806560GEN WR01X1249578WZ2X464D GE Screw609WR23X37285 GE Light Switch810GEN WR17X3227811GEN WR02X8659812WR17X2891 GE Refrigerator 5/16" X 6FT Plastic Water Line Tubing