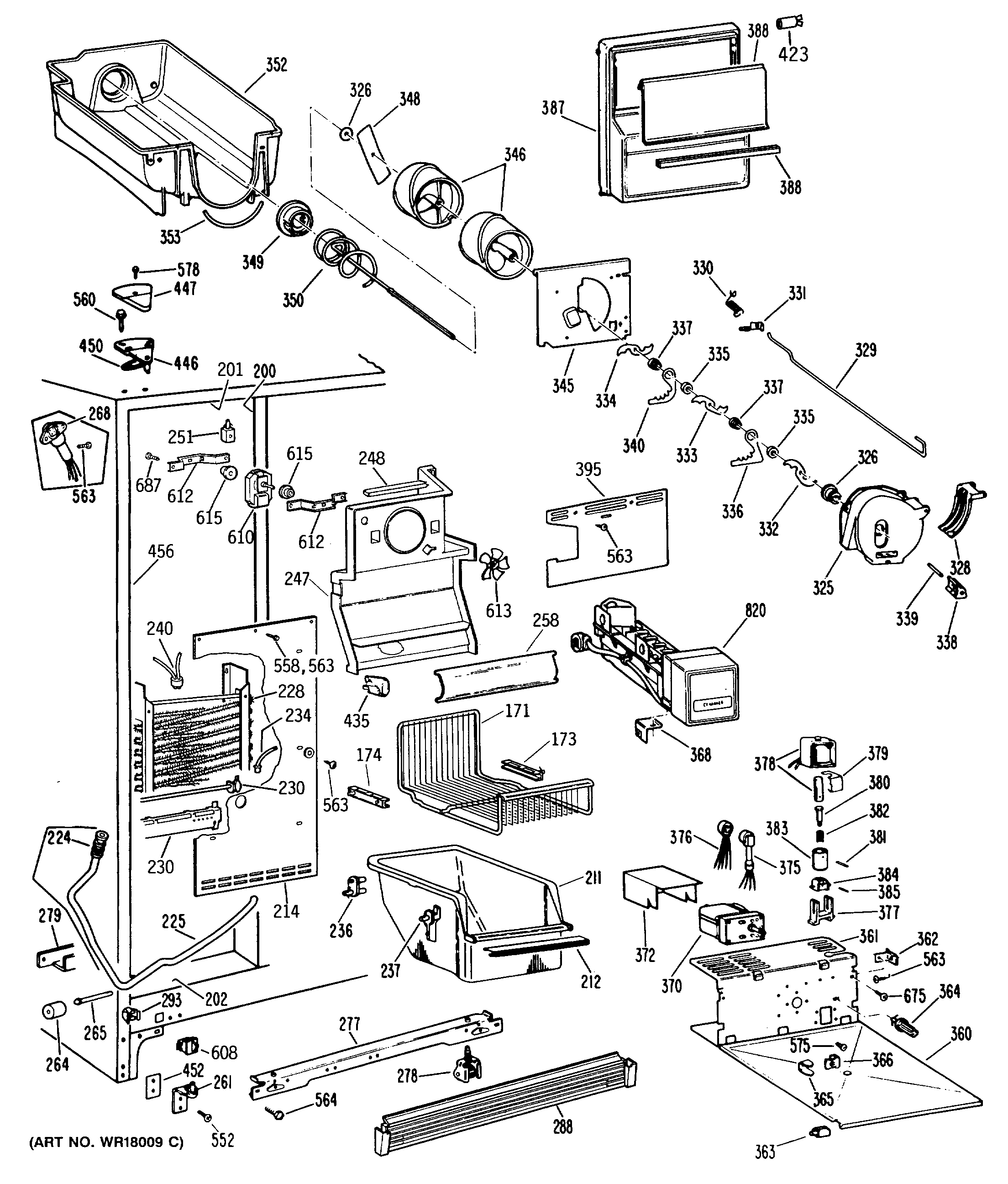
| 171 | GEN WR71X2352 |
| 173 | WR72X10079 GE Refrigerator Right Hand Basket Support Slide |
| 174 | SUPPORT SLIDE BASKET LH |
| 200 | GEN WR40X1673 |
| 201 | GEN WR40X1683 |
| 202 | GEN WR40X1681 |
| 211 | GEN WR21X0190 |
| 212 | GEN WR17X3103 |
| 214 | GEN WR14X0274 |
| 214 | GEN WR01X1332 |
| 214 | GEN WR17X3147 |
| 224 | GEN WR02X8657 |
| 225 | GEN WR01X5042 |
| 225 | GEN WR02X4838 |
| 225 | GEN WR02X8293 |
| 228 | WR87X29147 GE Refrigerator 25' Evaporator |
| 230 | GEN WR02X8647 |
| 230 | WR51X443 GE Refrigerator Defrost Heater with Bi-metal |
| 234 | GEN WR23X0364 |
| 234 | GEN WR23X0365 |
| 236 | GEN WR02X4548 |
| 237 | GEN WR02X7036 |
| 240 | WR50X122 GE Refrigerator Defrost Bi-metal Thermostat |
| 247 | GEN WR17X3100 |
| 247 | GEN WR02X4845 |
| 248 | GEN WR14X0272 |
| 251 | GEN WR02X2880 |
| 258 | GEN WR17X1424 |
| 261 | WR13X10020 GE Refrigerator Door Hinge Assembly with Cam |
| 264 | WR2X3594 GE Refrigerator Wheel |
| 265 | GEN WR02X3595 |
| 265 | GEN WR02X4742 |
| 265 | GEN WR02X3598 |
| 268 | GEN WR23X0312 |
| 277 | GEN WR17X2113 |
| 278 | WHEEL ASM FRT |
| 279 | GEN WR17X2743 |
| 288 | GEN WR74X0206 |
| 293 | GEN WR02X7080 |
| 325 | WR17X2061 GE Refrigerator Crush Dispenser |
| 326 | GEN WR01X1366 |
| 326 | GEN WR01X1585 |
| 326 | WR1X1367D GE Refrigerator Return Package 12 |
| 328 | DEFLECTOR ICE DISP |
| 328 | WR2X4143 GE Refrigerator Pivot |
| 328 | GEN WR02X4561 |
| 329 | WIRE ACTUATOR DISP |
| 330 | GEN WR02X4145 |
| 331 | GEN WR02X4251 |
| 332 | WR17X1361 GE Refrigerator Blades Moving Display |
| 333 | WR17X1362 GE Refrigerator Middle Blade |
| 334 | WR17X1363 GE Refrigerator Blades Moving Display |
| 335 | GEN WR02X4139 |
| 336 | GEN WR17X1009 |
| 337 | WR2X4138 GE Refrigerator Spacer |
| 338 | WR2X4140 GE Refrigerator Blade Rest |
| 339 | GEN WR02X4141 |
| 340 | WR17X2058 GE Refrigerator Dispenser Blade |
| 345 | PLATE FRONT DISP |
| 346 | HELIX FRONT-DISP |
| 346 | HELIX REAR-DISP |
| 348 | GEN WR02X7351 |
| 349 | WR2X4550 GE Refrigerator Drive Cup |
| 350 | GEN WR17X2740 |
| 352 | WR30X256 GE Refrigerator Ice Dispenser |
| 352 | WR17X4312 GE Refrigerator Ice Maker Auger and Bucket Assembly |
| 353 | WR2X7905 GE Refrigerator Bucket Seal |
| 360 | GEN WR02X4566 |
| 360 | GEN WR71X2205 |
| 361 | GEN WR71X2353 |
| 362 | GEN WR02X8839 |
| 363 | GEN WR02X4465 |
| 364 | GEN WR02X7310 |
| 365 | GEN WR02X4854 |
| 366 | GEN WR01X1547 |
| 368 | GEN WR02X8459 |
| 370 | WR60X10262 GE Refrigerator Motor Crusher Dispenser |
| 370 | WR01X10618 GE Refrigerator Screw 8-18 TPT 1/4 |
| 372 | WR02X11295 GE Refrigerator Auger Motor Boot |
| 375 | GEN WR23X0194 |
| 376 | GEN WR23X0189 |
| 377 | WR2X7309 GE Refrigerator Solenoid Cushion |
| 381 | WR62X23154 GE Refrigerator Ice Dispenser Solenoid Kit |
| 382 | WR62X26536 GE Refrigerator Armature Kit |
| 387 | GEN WR17X2964 |
| 388 | GEN WR38X1524 |
| 388 | GEN WR17X2874 |
| 395 | GEN WR17X2905 |
| 423 | GEN WR02X6347 |
| 435 | RANGE ONLY 40W 120V APPL BULB |
| 435 | WR2X9391 GE Socket and Terminal |
| 446 | GEN WR13X0647 |
| 447 | GEN WR02X8262 |
| 450 | GEN WR02X4194 |
| 452 | NUTSTRIP HINGE |
| 456 | GEN WR40 |