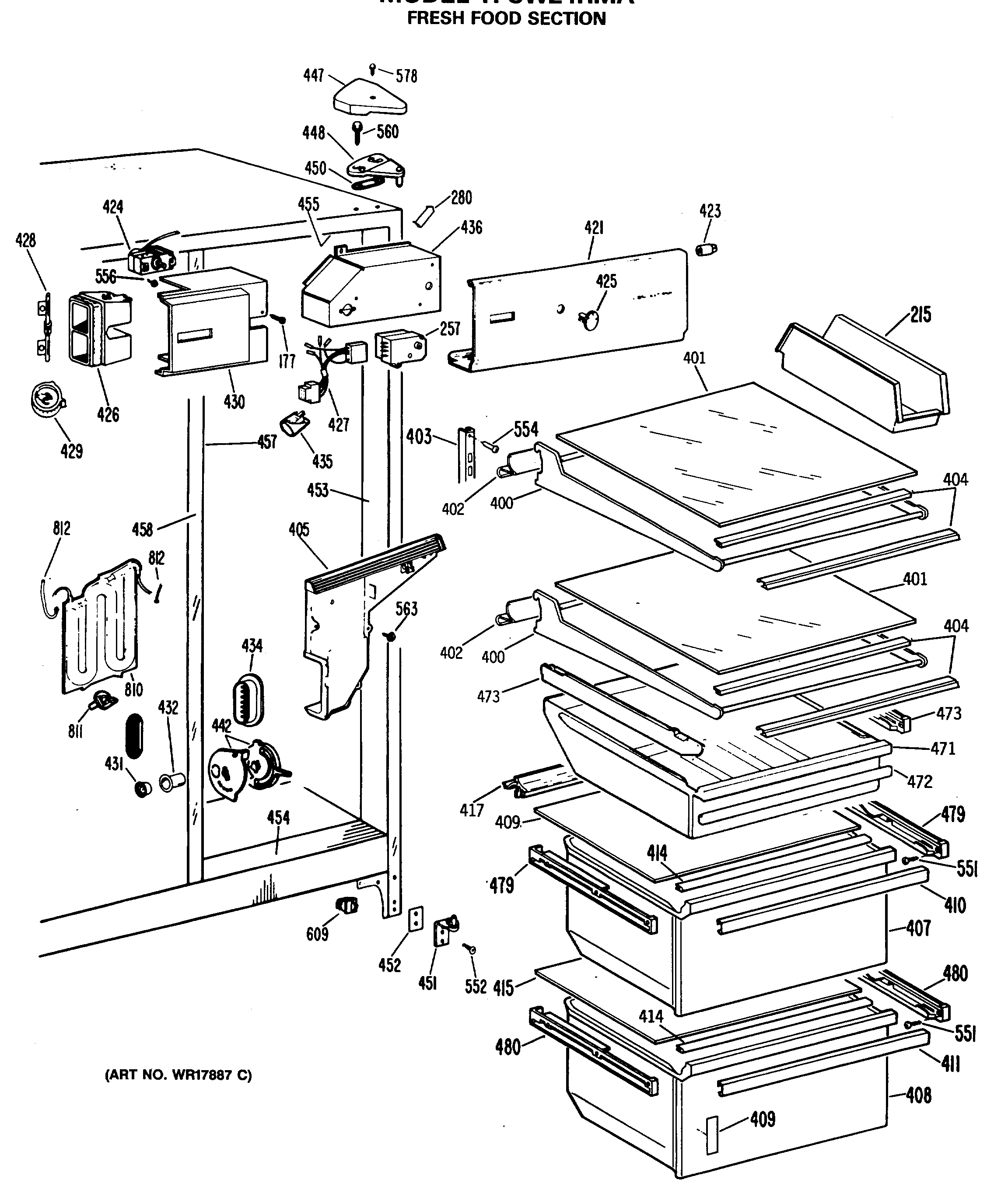
TFCW24RMA FRESH FOOD SECTION

TFCW24RMA FRESH FOOD SECTION