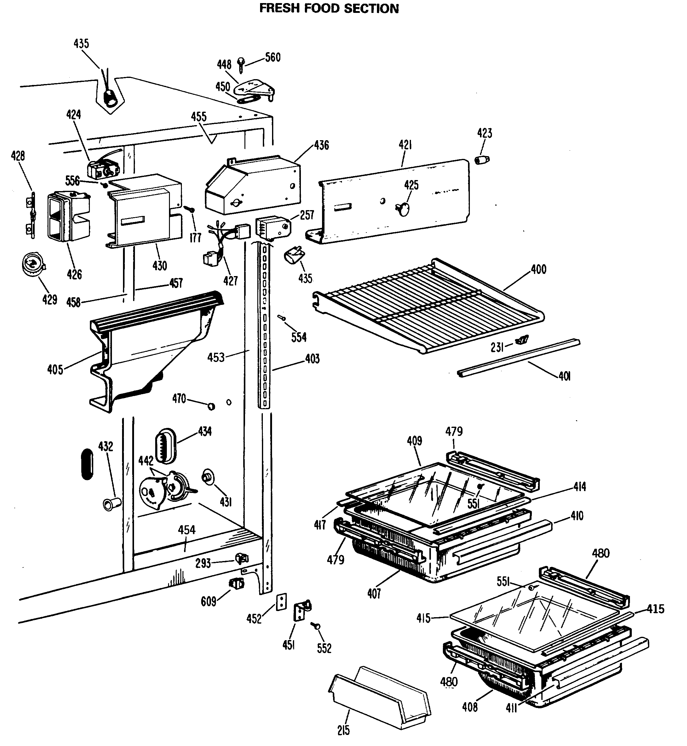
TFE20DMA FRESH FOOD SECTIONadmin2025-04-26T10:42:25+00:00TFE20DMA FRESH FOOD SECTION ProductsPositionProduct177SCREW231GEN WR02X4944257GEN WR09X0496293GEN WR02X7080400GEN WR71X1657401GEN WR38X1302403GEN WR72X0089405GEN WR17X1382407GEN WR32X1044408GEN WR32X1042409GEN WR32X0654410GEN WR17X2486411GEN WR17X2487414GEN WR14X5111415GEN WR14X0380415GEN WR32X1105417GEN WR14X5108421GEN WR17X2490423GEN WR02X6350423GEN WR02X6347424GEN WR09X0442425KNOB FRZ CONTROL426GEN WR02X4834426GEN WR14X0369426GEN WR02X8043427GEN WR23X0316428GEN WR02X4835429GEN WR02X4836430GEN WR17X2209431GEN WR02X8434432GEN WR02X3886434GEN WR02X4542435RANGE ONLY 40W 120V APPL BULB435WR2X9391 GE Socket and Terminal436GEN WR02X7736442GEN WR02X7035442KNOB CONTROL442GEN WR02X3884448GEN WR13X0624450GEN WR02X4194451WR13X10020 GE Refrigerator Door Hinge Assembly with Cam452NUTSTRIP HINGE452SHIM HINGE BTM.453GEN WR40X1631454GEN WR40X1639455GEN WR40X1642457GEN WR40X1640458GEN WR40X1576458GEN WR02X4739458GEN WR02X7033458GEN WR02X7031479GEN WR72X0201479GEN WR72X0200480GEN WR72X0187480GEN WR72X0188551GEN WZ04X0244554GEN WR01X1483556SCR 8-32 MA TR 1/4 SS560GEN WR01X1806560GEN WR01X1249609WR23X37285 GE Light Switch